lemon-mirror:
Home >> Ford >> 2005 >> Excursion 2WD V8-6.0L DSL Turbo VIN P >> Repair and Diagnosis >> Powertrain Management >> Computers and Control Systems >> Relays and Modules - Computers and Control Systems >> Engine Control Module >> Locations

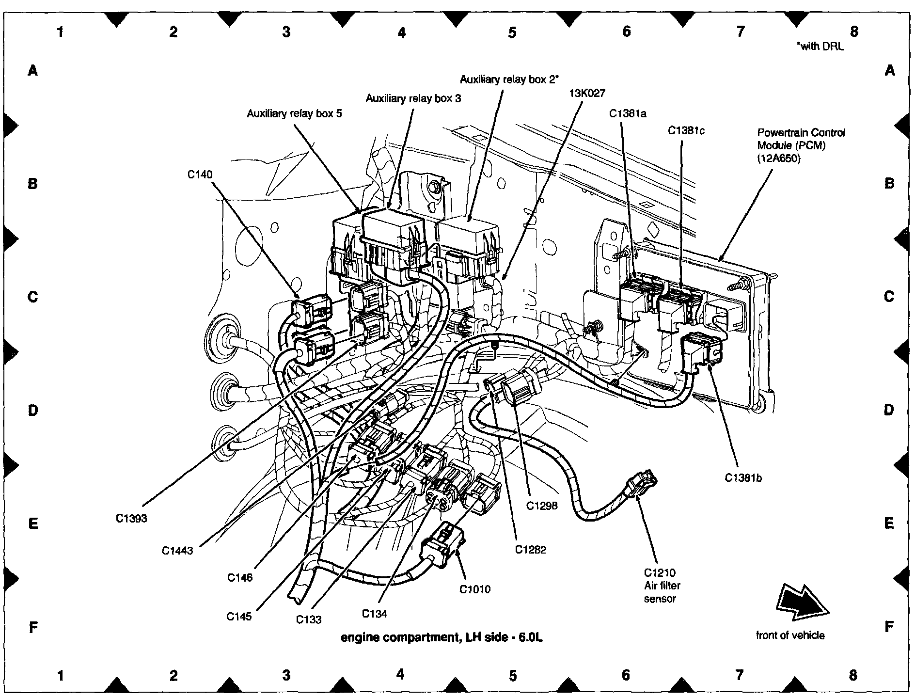
Engine Control Module: Locations

View 151-20 (Engine Compartment, LH Side):