lemon-mirror:
Home >> Ford >> 2005 >> Excursion 2WD V10-6.8L VIN S >> Repair and Diagnosis >> Specifications >> Mechanical Specifications >> Suspension >> System Specifications >> Front Suspension-Exploded View

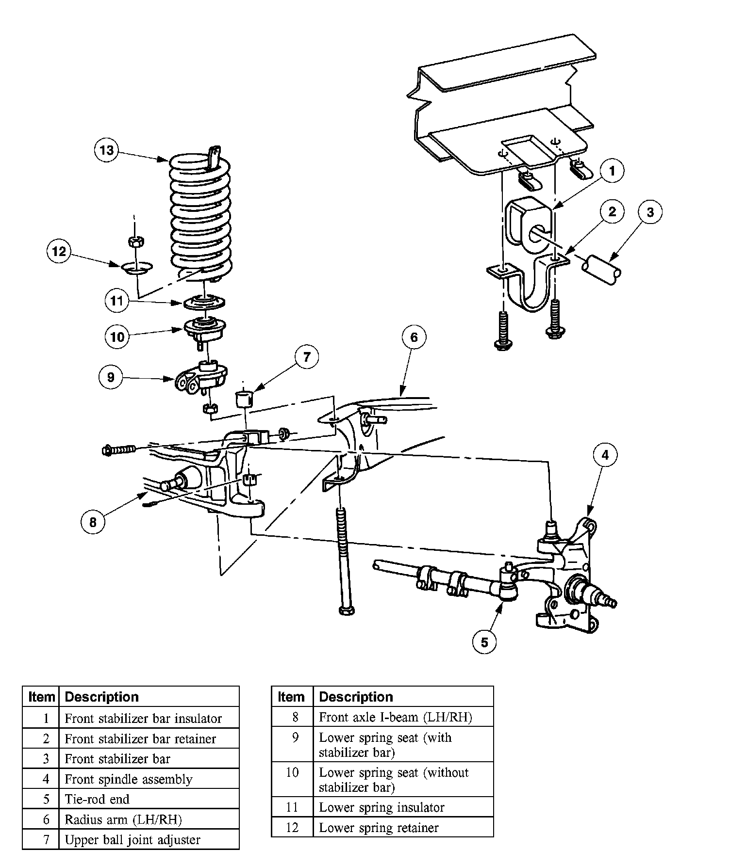
Front Suspension-Exploded View