lemon-mirror:
Home >> Ford >> 2005 >> Excursion 2WD V10-6.8L VIN S >> Repair and Diagnosis >> Heating and Air Conditioning >> Control Module HVAC >> Locations

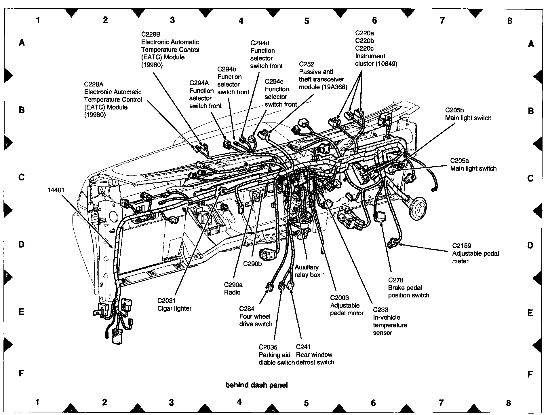
Control Module HVAC: Locations

View 151-26 (behind Dash Panel):