lemon-mirror:
Home >> Ford >> 2005 >> Escape 2WD V6-3.0L VIN 1 >> Repair and Diagnosis >> Diagrams >> Exploded Views >> Engine >> Timing Components

Timing Components

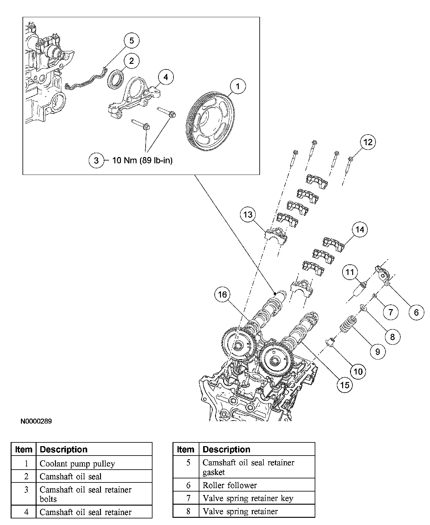
Valve Train Components-Exploded View








Valve Train Components - LH





Valve Train Components - RH