lemon-mirror:
Home >> Ford >> 2005 >> Escape 2WD V6-3.0L VIN 1 >> Repair and Diagnosis >> Diagrams >> Exploded Views >> Engine >> Engine Lubrication

Engine Lubrication

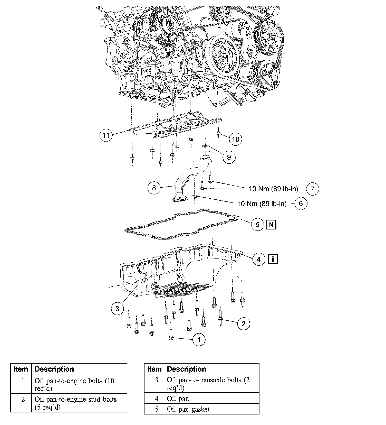
Engine Lubrication Components- Exploded View








Oil Pan, Oil Pump Screen and Pickup Tube and Oil Pan Baffle





Oil Pump