lemon-mirror:
Home >> Ford >> 2004 >> Ranger 4WD L4-2.3L VIN D >> Repair and Diagnosis >> Diagrams >> Exploded Views >> Transfer Case

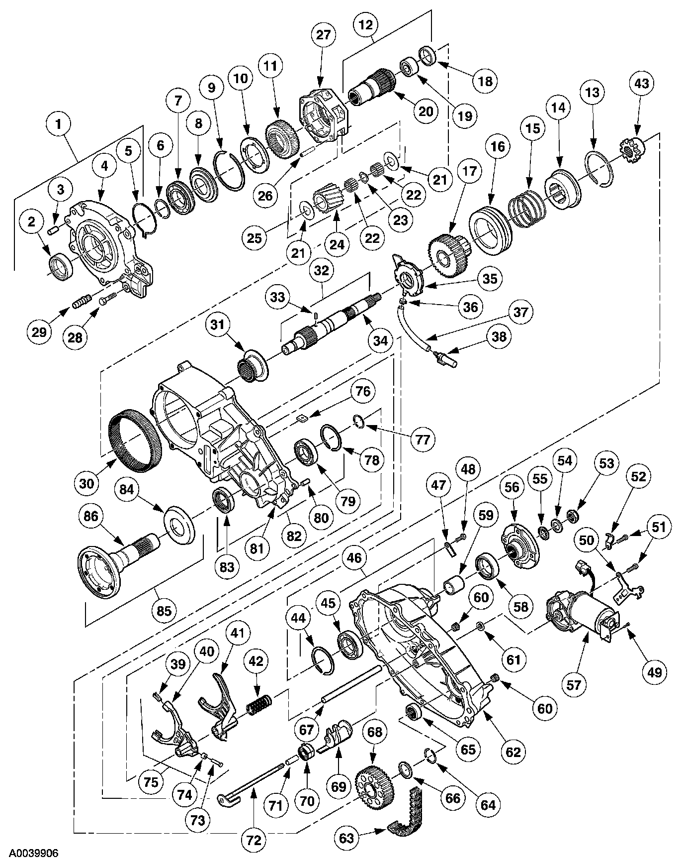
Transfer Case

Part 1 Of 4:



Part 2 Of 4:



Part 3 Of 4:



Part 4 Of 4: