lemon-mirror:
Home >> Ford >> 2004 >> Freestar V6-4.2L VIN 2 >> Repair and Diagnosis >> Diagrams >> Exploded Views >> Engine >> Engine-Lower Components

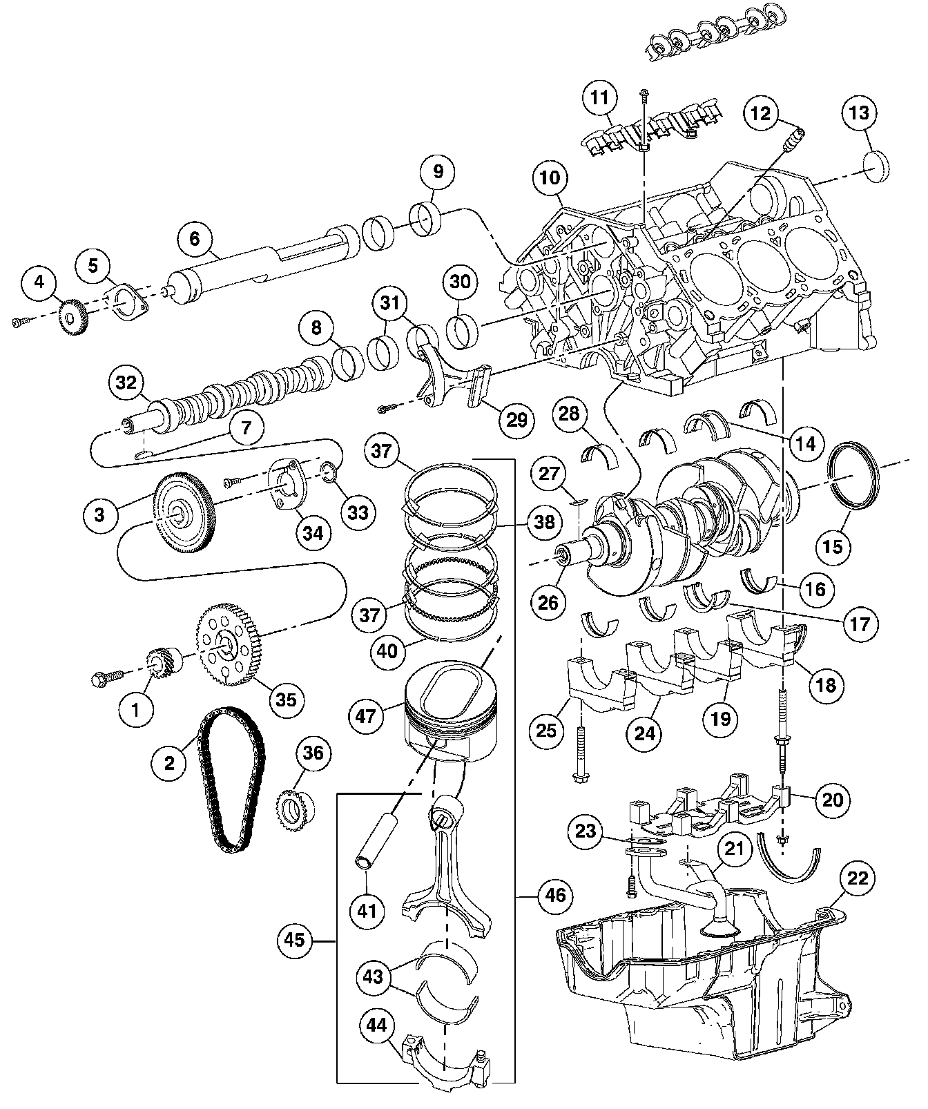
Engine-Lower Components

Engine-Lower Components Part 1 Of 3:



Engine-Lower Components Part 2 Of 3:



Engine-Lower Components Part 3 Of 3: