lemon-mirror:
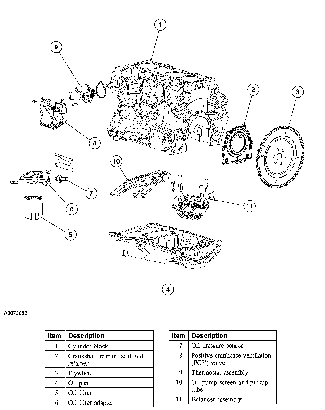
Home >> Ford >> 2004 >> Focus L4-2.3L VIN Z >> Repair and Diagnosis >> Diagrams >> Exploded Views >> Engine >> Lower Engine Block

Lower Engine Block