lemon-mirror:
Home >> Ford >> 2004 >> Focus L4-2.3L VIN Z >> Repair and Diagnosis >> Diagrams >> Exploded Views >> Engine >> Intake Manifold

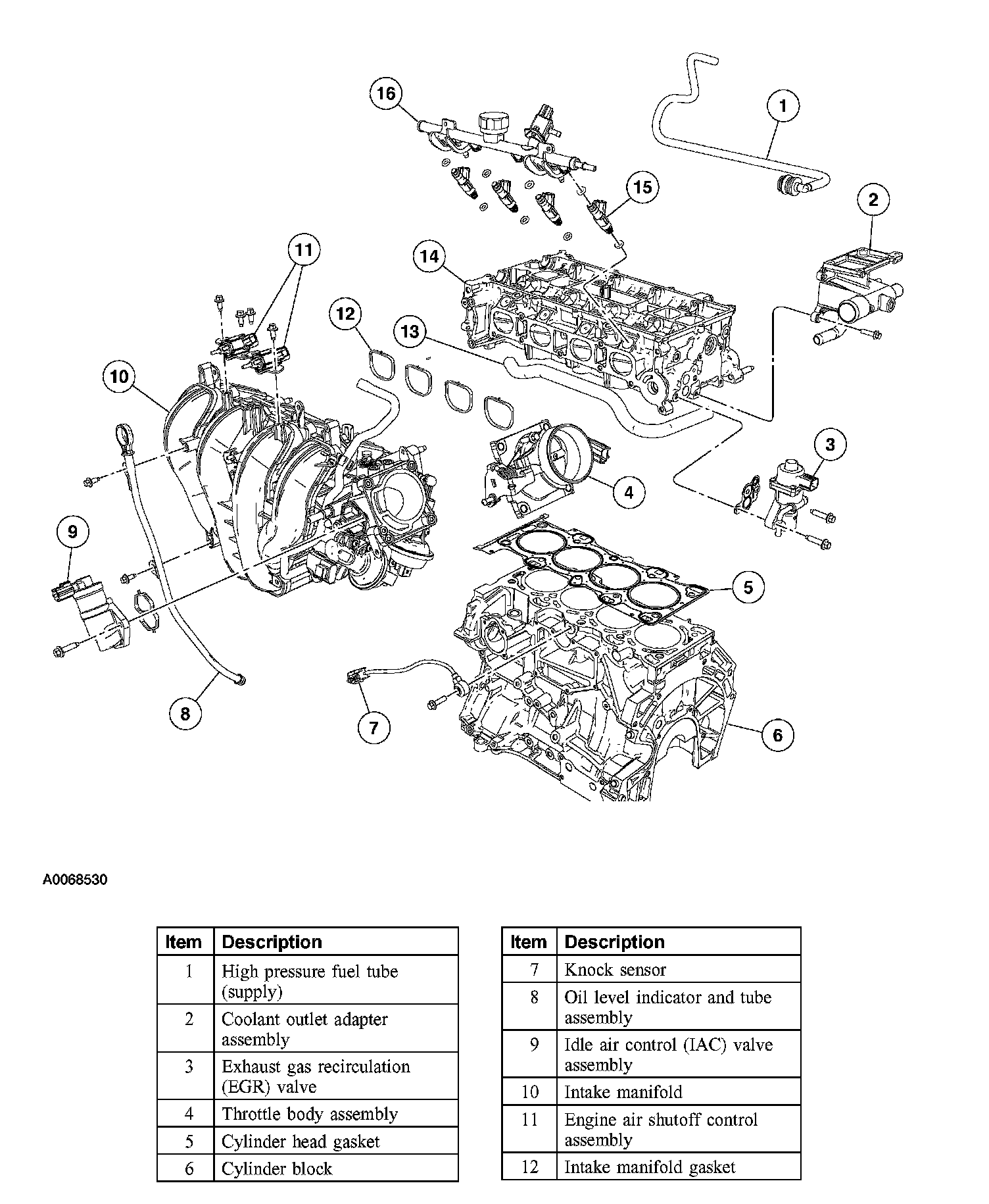
Intake Manifold

Part 1 Of 2:



Part 2 Of 2: