lemon-mirror:
Home >> Ford >> 2004 >> Focus L4-2.3L VIN Z >> Repair and Diagnosis >> Diagrams >> Exploded Views >> Automatic Transmission/Transaxle >> System Diagram >> Case Assembly

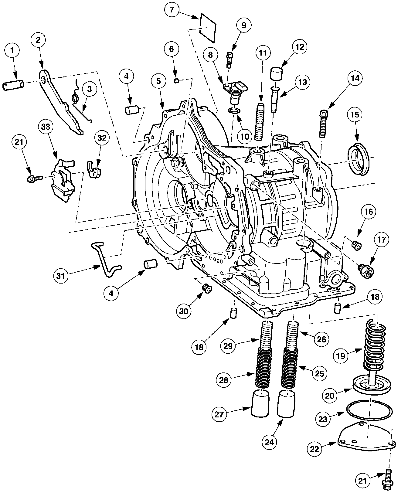
Case Assembly

Part 1:



Part 2:



Part 3: