lemon-mirror:
Home >> Ford >> 2004 >> Explorer 2WD V6-4.0L VIN E >> Repair and Diagnosis >> Diagrams >> Components >> Component Location Views >> View 151-21

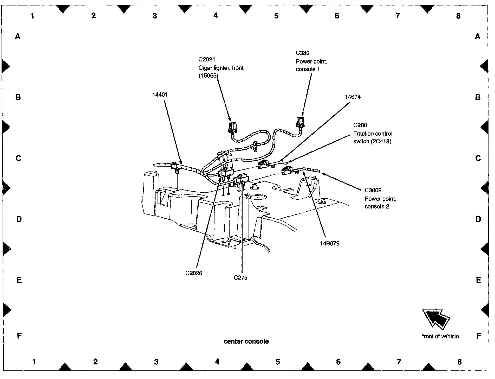
View 151-21

View 151-21: