lemon-mirror:
Home >> Ford >> 2004 >> Excursion 2WD V8-6.0L DSL Turbo VIN P >> Repair and Diagnosis >> Powertrain Management >> Computers and Control Systems >> Engine Control Module >> Locations >> Powertrain Control Module (PCM)

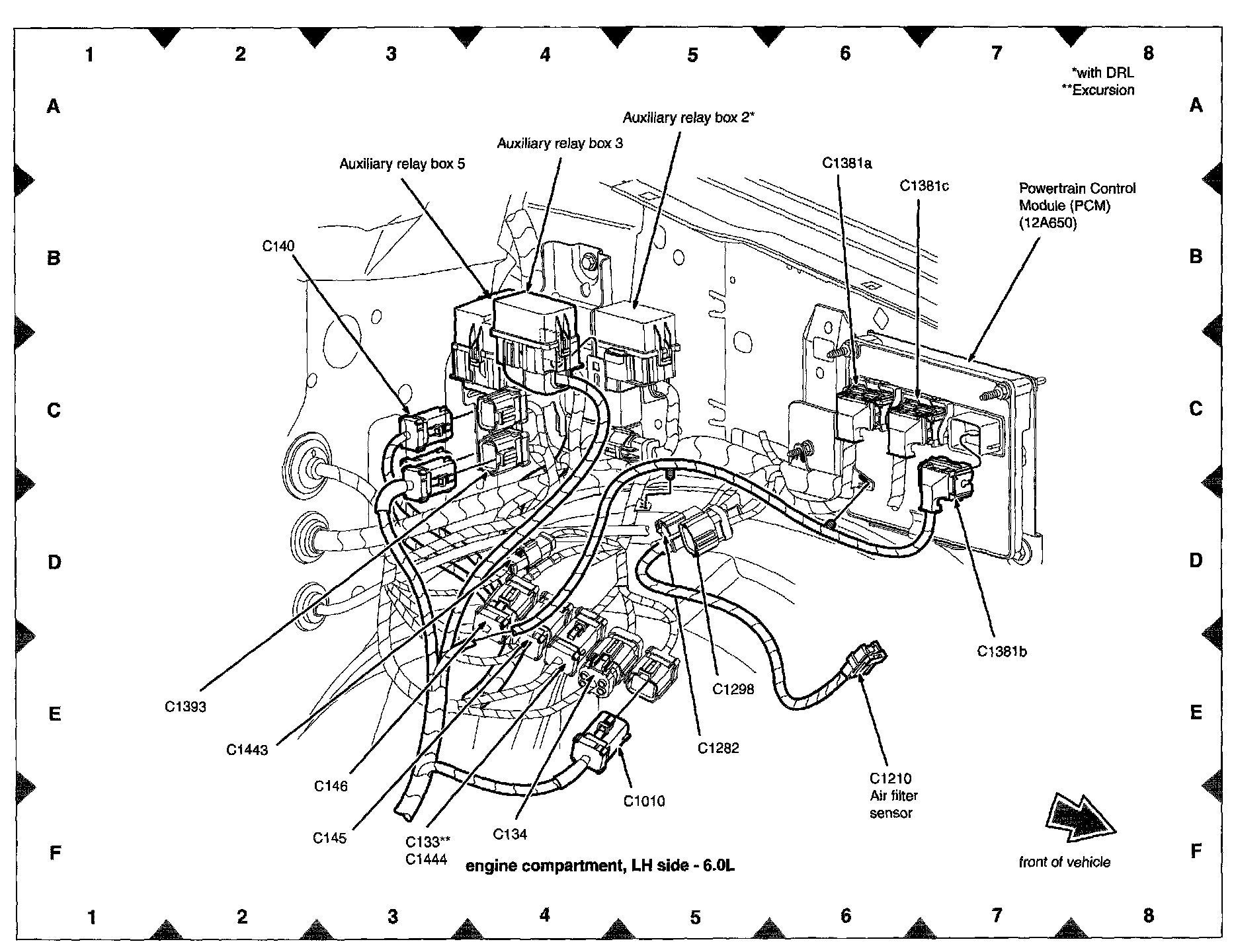
Powertrain Control Module (PCM)

View 151-20: