lemon-mirror:
Home >> Ford >> 2004 >> Excursion 2WD V8-6.0L DSL Turbo VIN P >> Repair and Diagnosis >> Diagrams >> Exploded Views >> Engine >> System Diagram >> Low-Pressure

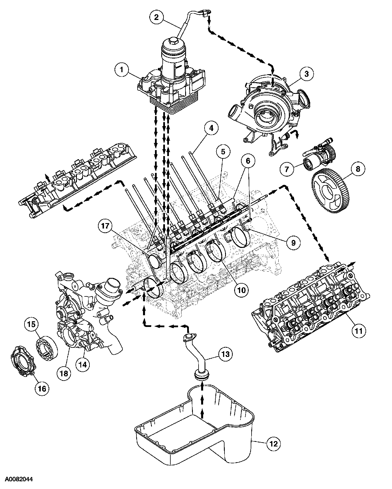
Low-Pressure

Lubrication System - Low-Pressure








Low-Pressure Oil Flow