lemon-mirror:
Home >> Ford >> 2004 >> Excursion 2WD V8-6.0L DSL Turbo VIN P >> Repair and Diagnosis >> Diagrams >> Exploded Views >> Engine >> System Diagram >> High-Pressure

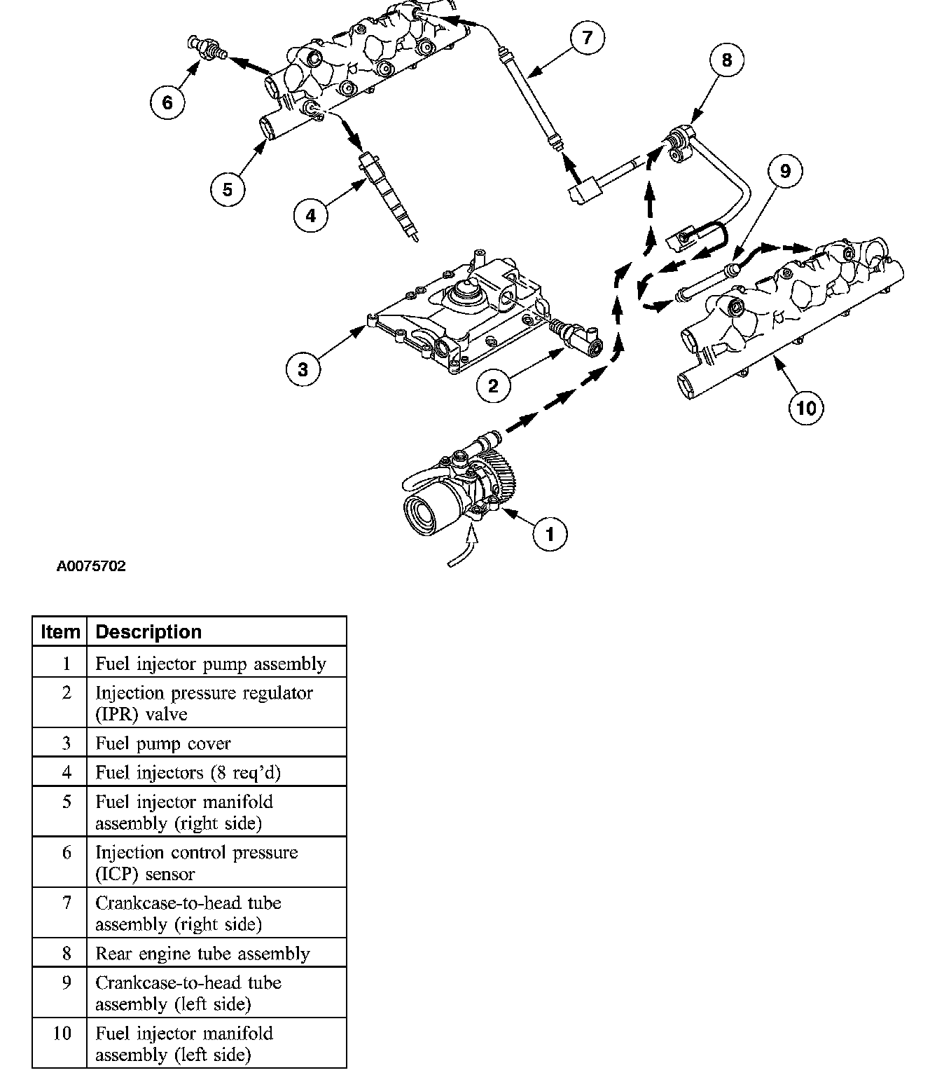
High-Pressure

Lubrication System - High-Pressure - Early Build





High-Pressure Oil Flow

Lubrication System - High-Pressure - Late Build





High-Pressure Oil Flow