lemon-mirror:
Home >> Ford >> 2004 >> Excursion 2WD V8-5.4L SOHC VIN L >> Repair and Diagnosis >> Diagrams >> Exploded Views >> Engine >> Induction System

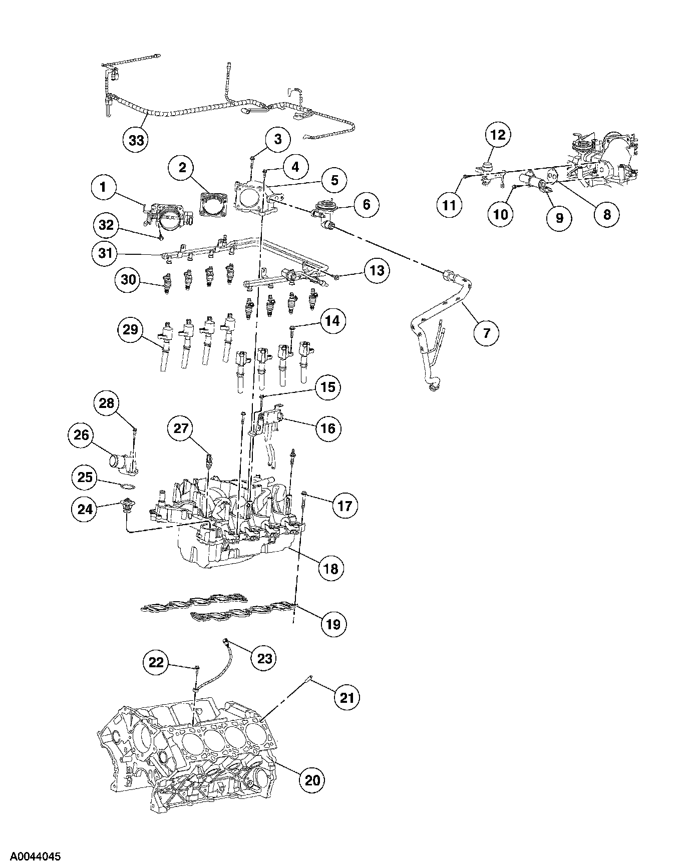
Induction System

5.4L Engine Induction System