lemon-mirror:
Home >> Ford >> 2004 >> Excursion 2WD V10-6.8L VIN S >> Repair and Diagnosis >> Diagrams >> Exploded Views >> Suspension >> Front

Front

Front Suspension




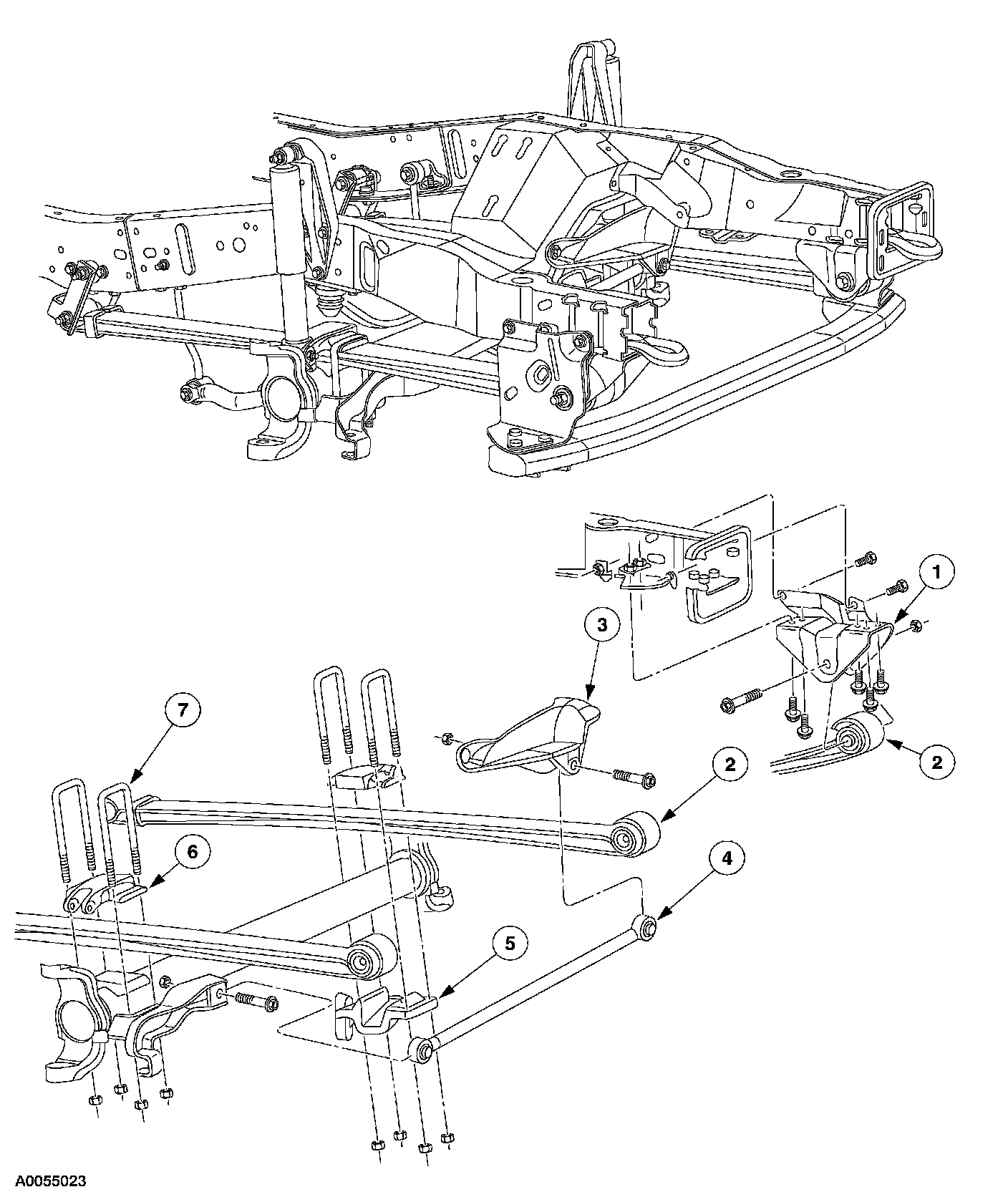
Front Suspension Components - F-250, F-350




Front Suspension Components - F-250, F-350







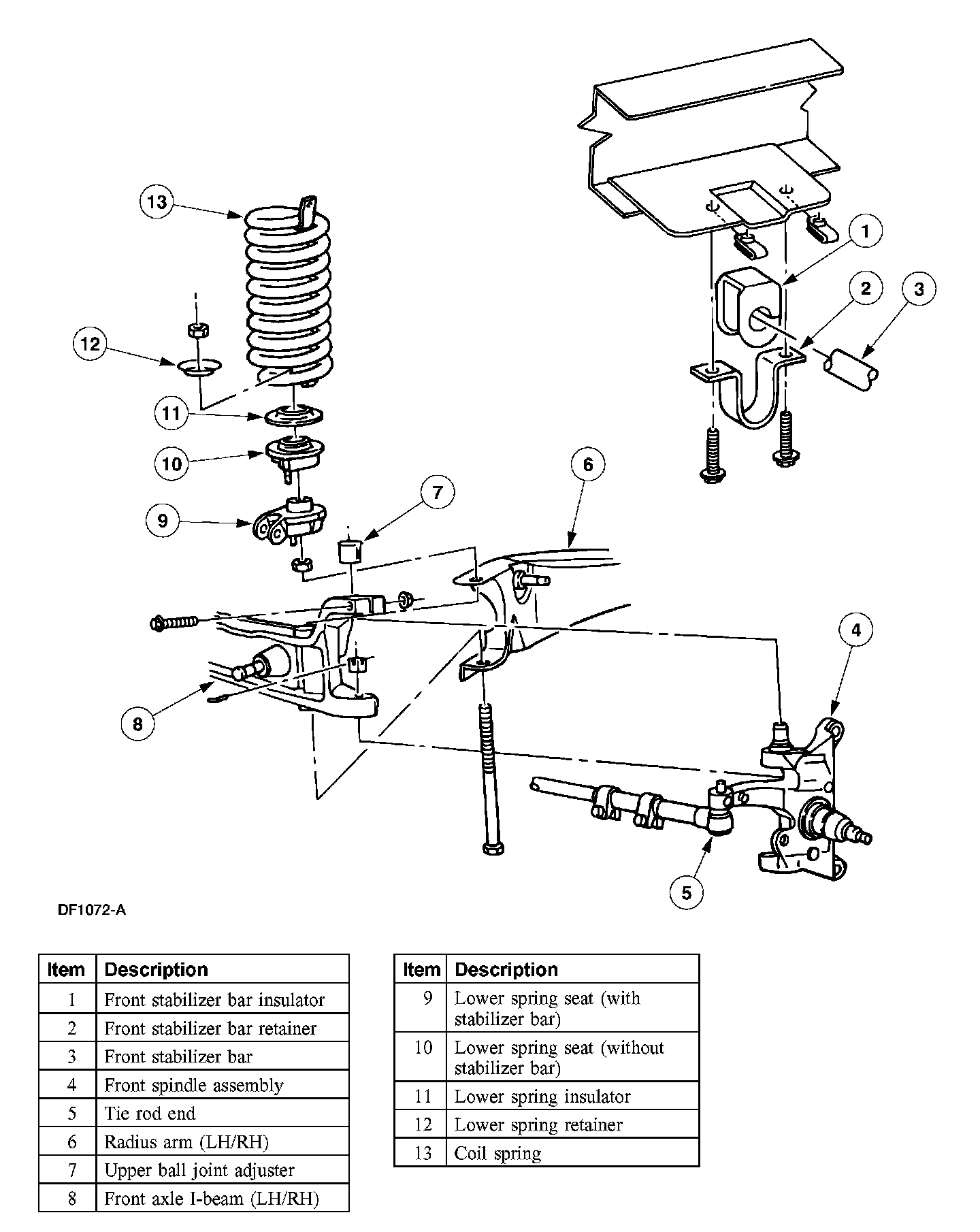
Front Suspension Components - F-450, F-550







Front Suspension Components - F-450, F-550