lemon-mirror:
Home >> Ford >> 2004 >> Escape 2WD V6-3.0L VIN 1 >> Repair and Diagnosis >> Diagrams >> Exploded Views >> Engine >> Upper Engine Components

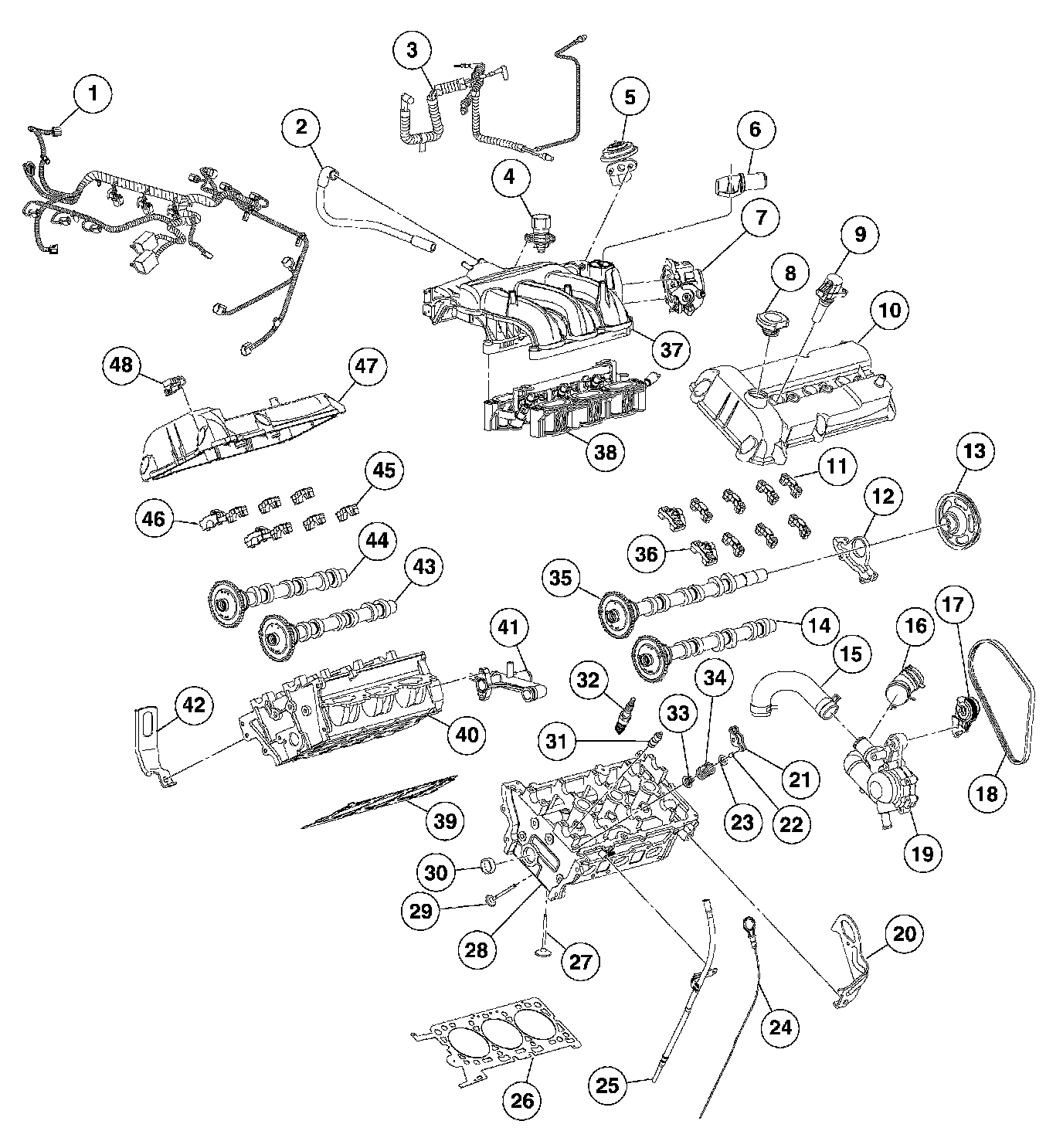
Upper Engine Components

Part 1 Of 3:



Part 2 Of 3:



Part 3 Of 3: