lemon-mirror:
Home >> Ford >> 2003 >> Windstar V6-3.8L VIN 4 >> Repair and Diagnosis >> Powertrain Management >> Computers and Control Systems >> Relays and Modules - Computers and Control Systems >> Body Control Module >> Locations >> Front Electronic Module (FEM)

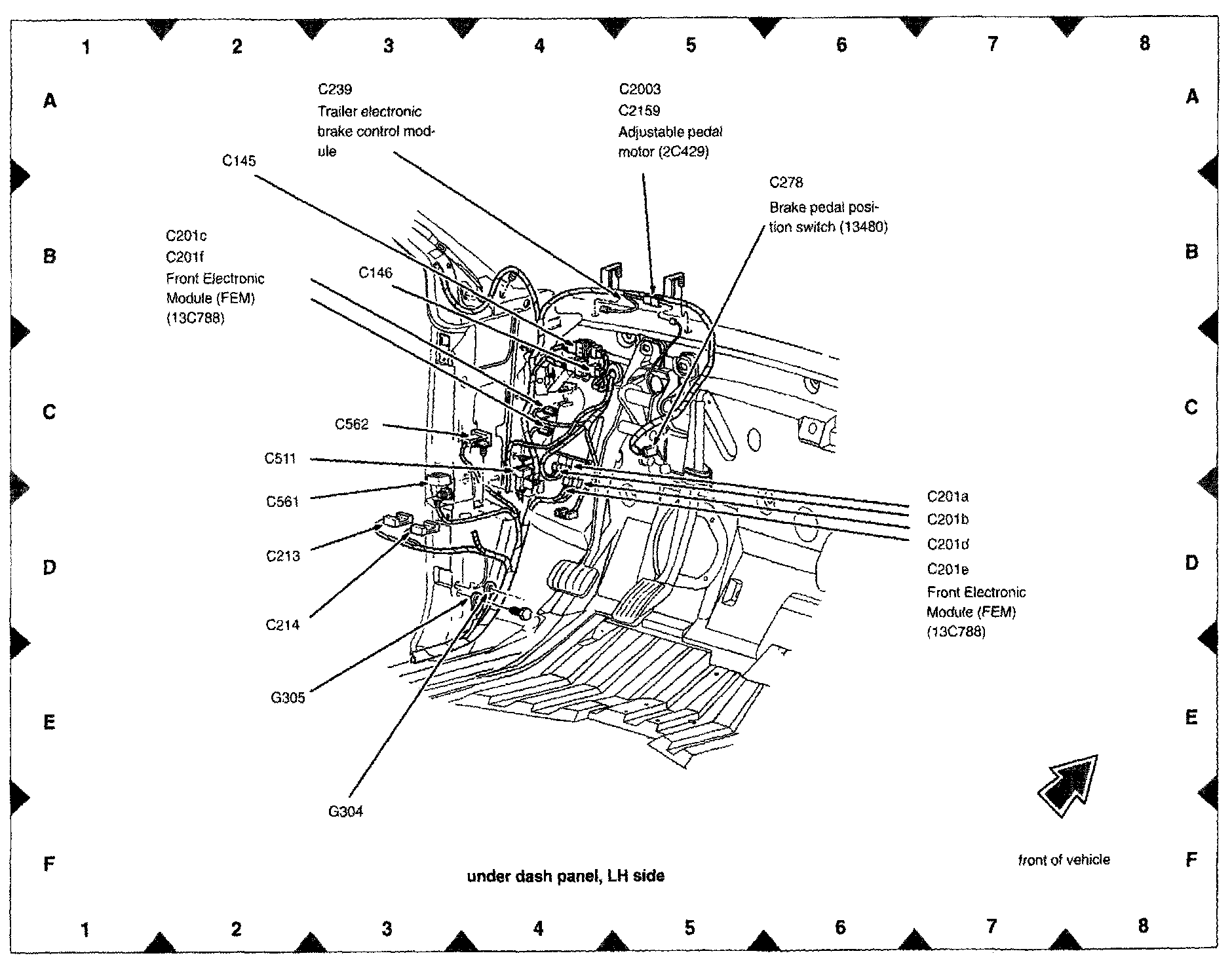
Front Electronic Module (FEM)

View 151-10: