lemon-mirror:
Home >> Ford >> 2003 >> Windstar V6-3.8L VIN 4 >> Repair and Diagnosis >> Diagrams >> Exploded Views >> Automatic Transmission/Transaxle >> Main Components and Functions

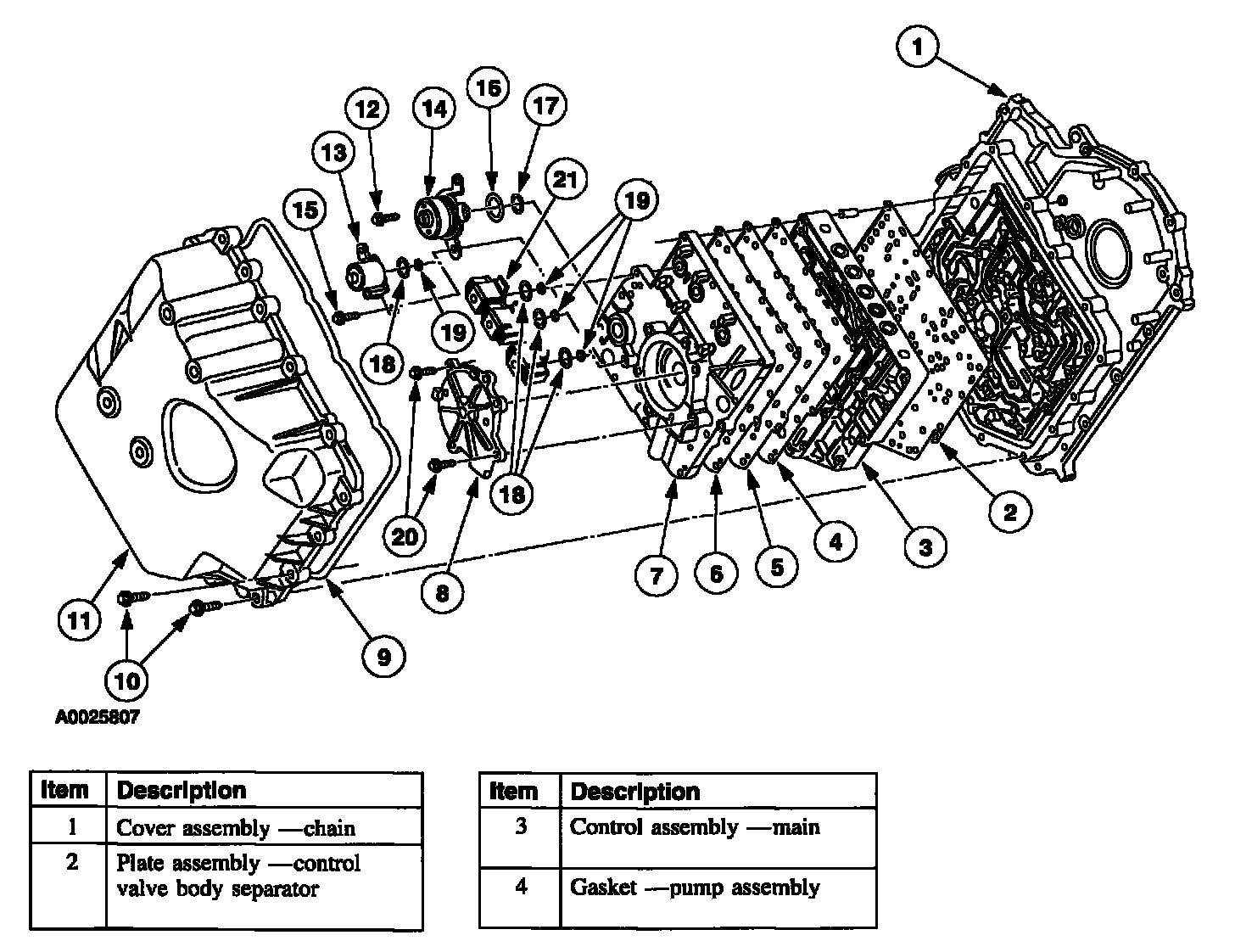
Main Components and Functions

Main Components and Functions

Part 1 Of 2:




Part 2 Of 2:





Torque Converter





The torque converter transmits and multiplies torque. The torque converter is a four-element device:
^ impeller assembly
^ turbine assembly
^ reactor assembly
^ clutch and damper assembly
The standard torque converter components operate as follows:
^ Rotation of the converter housing and impeller set the fluid in motion.
^ The turbine reacts to the fluid motion from the impeller, transferring rotation to the geartrain through the input shaft.
^ The reactor redirects fluid going back into the impeller, providing for torque multiplication.
^ The clutch and damper assembly dampens powertrain torsional vibration and provides a direct mechanical connection for improved efficiency.
^ Power is transmitted from the torque converter to the planetary gearsets and other components through the input shaft.

Geartrain
The geartrain consists of the planetary gearsets, apply components. final drive gearset and differential.

Planetary Gearset

Part 1 Of 2:




Part 2 Of 2:





The transaxle has two planetary gearsets to provide operation in reverse and tour forward speeds.
The gearsets are comprised of the following components:
^ front sun gear (part of the front sun gear and shell assembly)
^ front carrier
^ rear ring gear
^ front ring gear and rear carrier
^ rear sun gear

Turbine Shaft
The turbine shaft is splined to both the torque converter stator and the drive sprocket. This allows input torque to be transmitted from the torque converter to the drive chain and driven sprocket.

Output Shaft
The output shaft is splined to one of the differential side gears on one end, supported by the driven sprocket and driven sprocket support on the other end. This allows power flow through the differential for even output torque to the drive axles.

Drive Chain and Sprockets





A chain drive transfers torque from the torque converter turbine to the planetary gearsets. The chain drive is composed of the following components:
^ drive sprocket
^ driven sprocket
^ drive chain
The transaxle case has a support for the drive sprocket that also serves as the support for the torque converter stator. A driven sprocket support mounts in the band of the transaxle case and also supports the clutches and gearset components.

Final Drive Gearset
The final drive consists of a planetary gearset that transfers and multiplies torque from the planetary gearsets to the differential.
The final drive consists of the following components:
^ sun gear
^ carrier (part of the differential case)
^ ring gear
The sun gear is splined to the front ring gear and rear carrier of the planetary gearsets. The sun gear acts as the driving member and the carrier as the driven member. The ring gear is held stationary inside the case using lugged teeth.

Differential
The differential allows the halfshafts and wheels to rotate at different speeds during cornering.
The differential assembly consists of the following components:
^ differential case (part of the final drive carrier)
^ two pinion gears supported by a pinion shaft
^ two side gears supported by the differential case and halfshafts
When driving in a straight line both front wheels rotate at relatively the same speed. This means both side gears are rotating at the same speed, as well, while both pinion gears revolve (but do not rotate) with the side gears. During cornering, the wheel on the outside of the turn is forced to rotate faster than the wheel on the inside of the turn. Since the side gears must now rotate at different speeds, the pinion gears rotate on the pinion shaft allowing the drive axles to rotate at different speeds while still transferring output torque.

Apply Components

Band-Overdrive
The overdrive band holds the front planetary sun gear stationary in fourth gear (overdrive).

Band - Coast
The coast band allows the transaxle case to hold the rear planetary sun gear stationary. The coast band is applied in second and manual first gears.

Clutches-Direct
The direct clutch cylinder connects the driven sprocket to the outer race of the direct one-way clutch.

Clutches-Forward
The forward clutch locks the driven sprocket and the low one-way clutch.

Clutches-Intermediate
The intermediate clutch connects the driven sprocket to the front planetary carrier and rear planetary ring gear in second and third gears.

Clutches-Reverse
The reverse clutch holds the front planetary gearset and the rear ring gear of the rear planetary gearset stationary in reverse gear.

Clutches-Low-intermediate
The low-intermediate clutch connects the transaxle case of the outer race of the low-intermediate one-way clutch in manual low, first and second gears.

One-Way Clutch-Low-intermediate
The low-intermediate one-way clutch connects the low-intermediate clutch to the rear planetary sun gear. The low-intermediate one-way clutch transmits torque during drive operation in first and second gear, as well as manual second and manual first gears.

One-Way Clutch-Low
The low one-way clutch transmits torque from the driven sprocket to the sun gear of the front planetary gearset in first gear.

One-Way Clutch-Direct
The direct one-way clutch transmits torque from the driven sprocket to the front planetary sun gear in third gear and provides engine braking in manual low in connection with the direct clutch.

Hydraulic System
Filter
Fluid in the sump area formed by the transaxle pan flows through a filter to the pump assembly. A magnet attached to the transaxle pan collects unwanted metallic material.

A thermostatic fluid control valve prevents foaming of fluid by maintaining a sump level below the rotating components.





Fluid Sump and Case Components
The thermostatic fluid control valve stores fluid in the area of the main control when the fluid expands due to temperature. When the fluid is cold, the valve allows more fluid from the main control area to return to the sump.

Part 1 Of 2:




Part 2 Of 2:





The transmission fluid level check is correctly carried out when fluid temperature is hot.

Main Control
The hydraulic system has a main control assembly. The pump assembly, hydraulic control valves and electro-hydraulic actuators are located in the main control.

Gaskets are used for the separator plate between the pump body and valve body. The separator plate between the valve body and chain cover has integral gaskets.

Part 1 Of 2:




Part 2 Of 2:





Main Control Components

Part 1 Of 2:




Part 2 Of 2:





Main Control Valves

Accumulators
The hydraulic system has accumulators in circuits for five apply components. Each accumulator has a piston (with seal and spring) positioned on a hollow shaft.

The low-intermediate (N-D) accumulator is located in the bottom of the transaxle case.

The chain cover and side of the transaxle case contain four accumulators:
^ reverse (N-R)
^ intermediate (1-2)
^ direct (2-3)
^ overdrive (3-4)

Part 1 Of 2:




Part 2 Of 2:





Accumulators