lemon-mirror:
Home >> Ford >> 2003 >> Taurus V6-3.0L VIN U >> Repair and Diagnosis >> Specifications >> Mechanical Specifications >> Engine >> System Specifications >> Torque Specifications

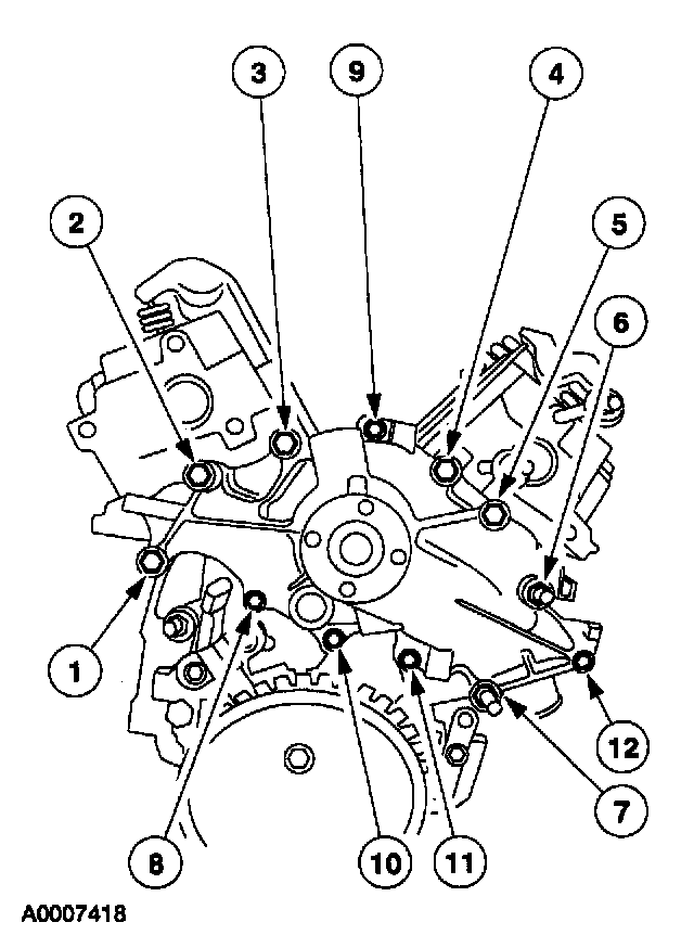
Torque Specifications

Torque Specifications

Part 1 Of 6:




Part 2 Of 6:




Part 3 Of 6:




Part 4 Of 6:




Part 5 Of 6:




Part 6 Of 6:










Water Pump bolts:
Stage 1 numbers 1-7 to 25 Nm (18 ft. lbs.)
Stage 2 numbers 8-12 to 10 Nm (89 in. lbs.)

Camshaft Thrust Plate 10 Nm (89 in. lbs.)
Connecting rod cap nuts 35 Nm (26 ft. lbs.)