lemon-mirror:
Home >> Ford >> 2003 >> Taurus V6-3.0L VIN U >> Repair and Diagnosis >> Diagrams >> Exploded Views >> Steering Column

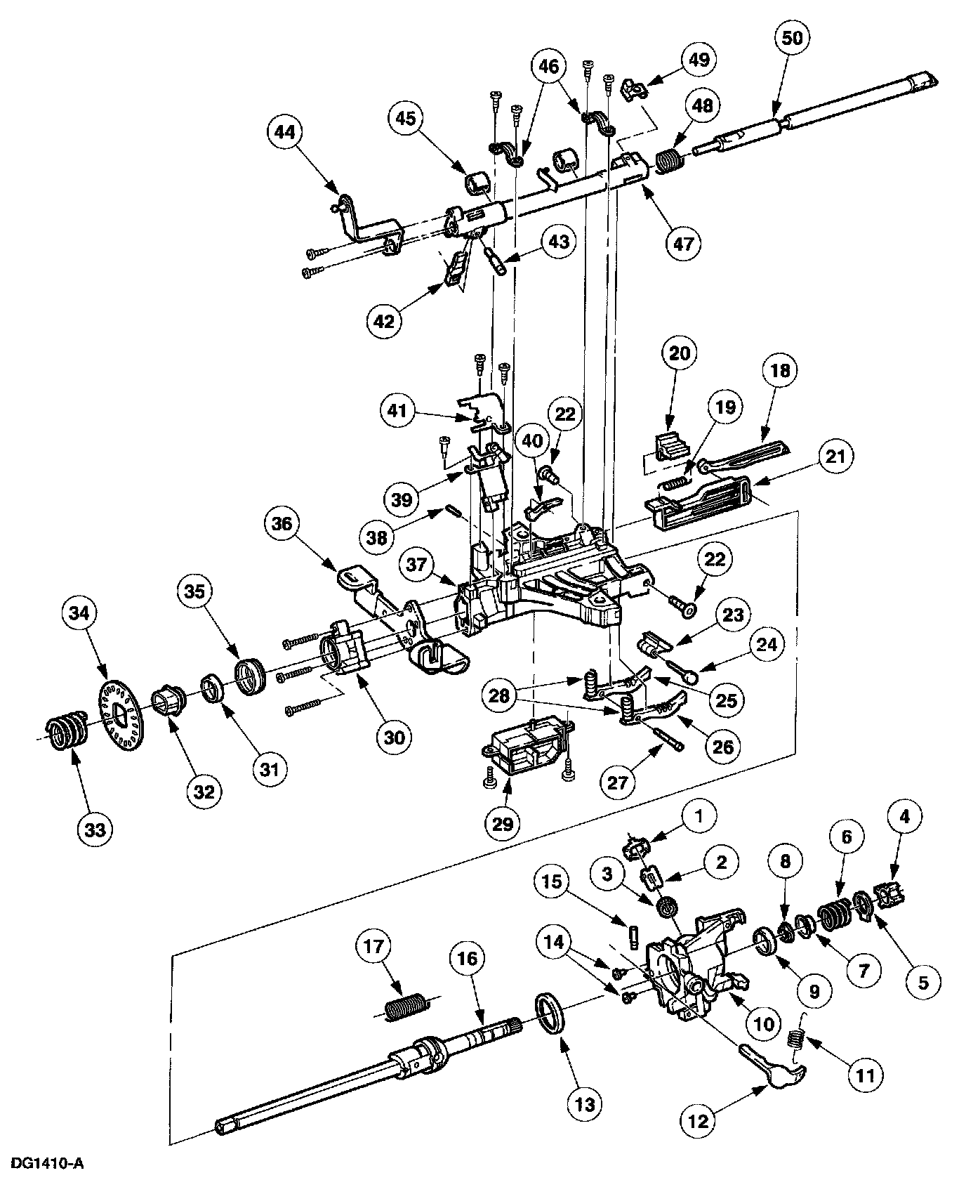
Steering Column





Part 1 of 4





Part 2 of 4





Part 3 of 4





Part 4 of 4