lemon-mirror:
Home >> Ford >> 2003 >> Ranger 2WD L4-2.3L VIN D >> Repair and Diagnosis >> Diagrams >> Exploded Views >> Disc Brake System >> 2 WD

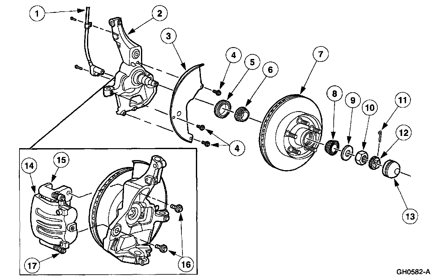
2 WD