lemon-mirror:
Home >> Ford >> 2003 >> Mustang V6-3.8L VIN 4 >> Repair and Diagnosis >> Powertrain Management >> Computers and Control Systems >> Air Flow Meter/Sensor >> Locations

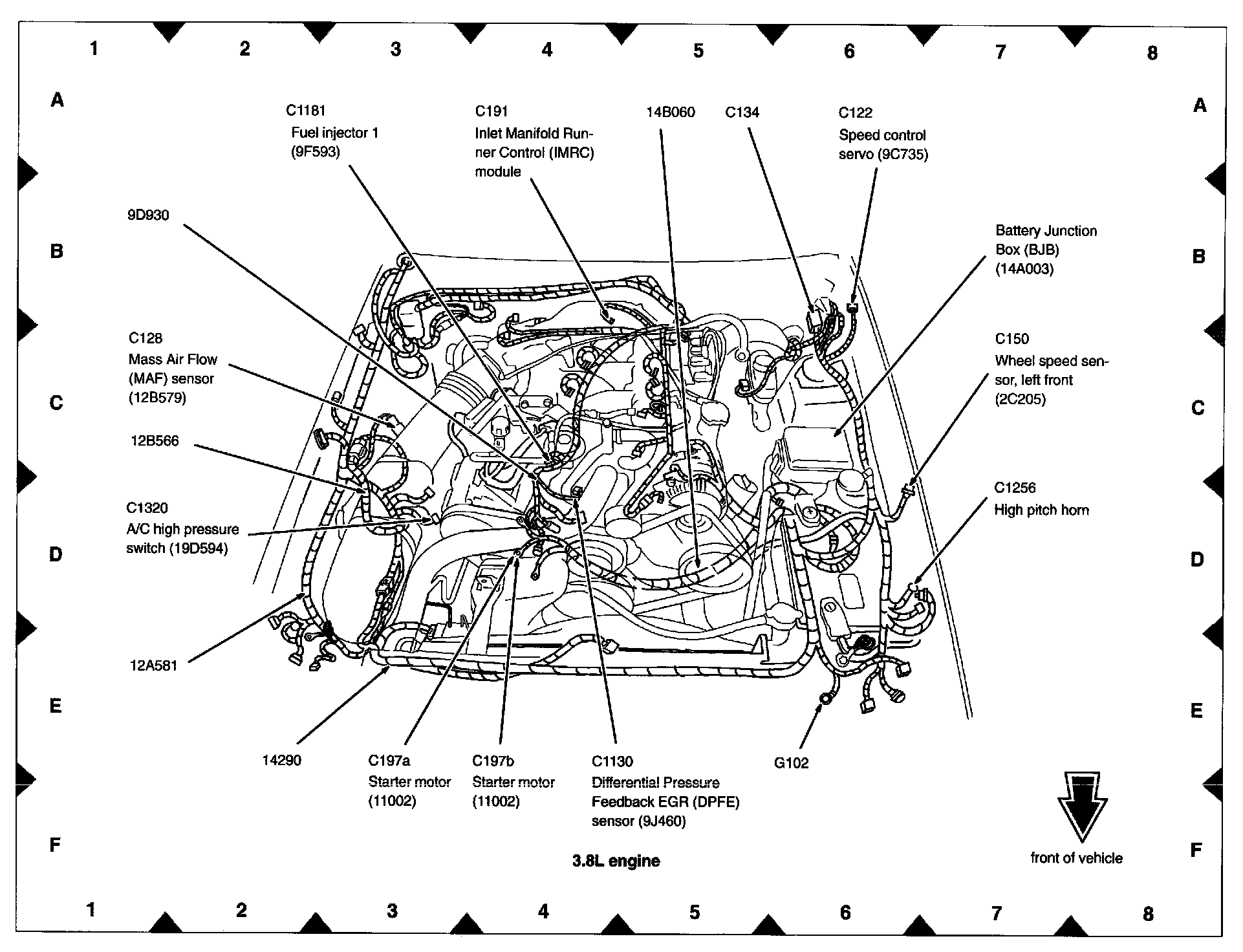
Air Flow Meter/Sensor: Locations

View 151-4:



View 151-14: