lemon-mirror:
Home >> Ford >> 2003 >> Mustang V6-3.8L VIN 4 >> Repair and Diagnosis >> Diagrams >> Exploded Views >> Steering Column

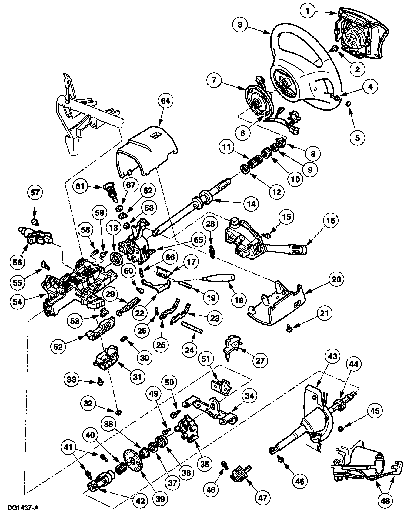
Steering Column

Part 1 Of 2:



Part 2 Of 2: