lemon-mirror:
Home >> Ford >> 2003 >> Focus L4-2.3L VIN Z >> Repair and Diagnosis >> Powertrain Management >> Computers and Control Systems >> Body Control Module >> Diagrams >> Diagnostic Aids

Diagnostic Aids

Troubleshooting wiring harness and connector hidden concerns
The illustrations are known examples of wiring harness, splices and connectors that will create intermittent electrical concerns. The concerns are hidden and can only be discovered by a physical evaluation in each illustration.

NOTE: Several components, such as the Powertrain Control Module (PCM), utilize gold plated terminals in their connections to the wiring harness. If those terminals need to be replaced, they must be replaced with a gold plated terminal.







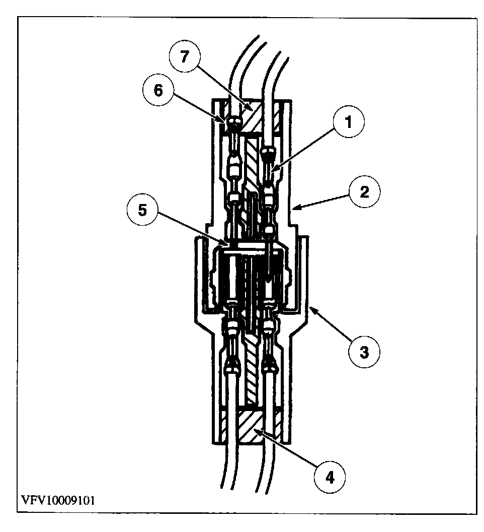
Terminal not properly seated
1 Locked terminal
2 Male half
3 Female half
4 Seal
5 Intermittent contact
6 Unlocked terminal (Hidden by wire seal)
7 Seal

Check for unlocked terminals by pulling each wire at the end of the connector.







Defective insulation stripping
1 Proper crimp
2 Insulation not removed
3 Wire strands missing
4 Intermittent signals through pierced insulation







Partially mated connectors
1 Seal
2 Displaced tab
3 Female half
4 Seal
5 Intermittent contact
6 Male half
7 Intermittent contact

Lock may be displaced into an unlocked position; pull on the connector to verify the lock.







Deformed (enlarged) female terminals
1 Enlarged
2 Normal

Any probe entering the terminal may enlarge the contact spring opening creating an intermittent signal. Insert the correct mating terminal (Location A) from the service kit and feel for a loose fit.







Electrical short inside the harness
1 Solder coated wire to ground
2 Harness protective tape
3 Intermittent short
Solder coated wire pierced through the insulation of another circuit
4 Grounding foil







Electrical short within the harness
Splice tape removed
1 Intermittent short







Splice covered
1 Wire strand
2 Splice tape
3 Harness tape







Broken wire strands in harness
1 Wiring harness tape
2 Wiring strand
3 Broken strands intermittent signal
4 Circuit insulation

Remove the tape and flex/feel each circuit for a reduction in diameter at break.

Recommended splicing method







1. Disconnect battery ground cable.
2. Strip wires to appropriate length.







3. Install heat shrink tubing.
4. Twist wires together.
5. Solder wires together.

NOTE: Use Rosin Core Mildly-Activated (RMA) solder. Do not use acid core solder.







6. Bend Wire 1 back in a straight line.

NOTE: Wait for solder to cool before moving wires.







7. Evenly position heat shrink tubing over wire repair.

NOTE: Overlap tubing on both wires.







8. Use heat gun to heat the repaired area until adhesive flows out of both ends of heat shrink tubing.
9. Reconnect battery ground cable.