lemon-mirror:
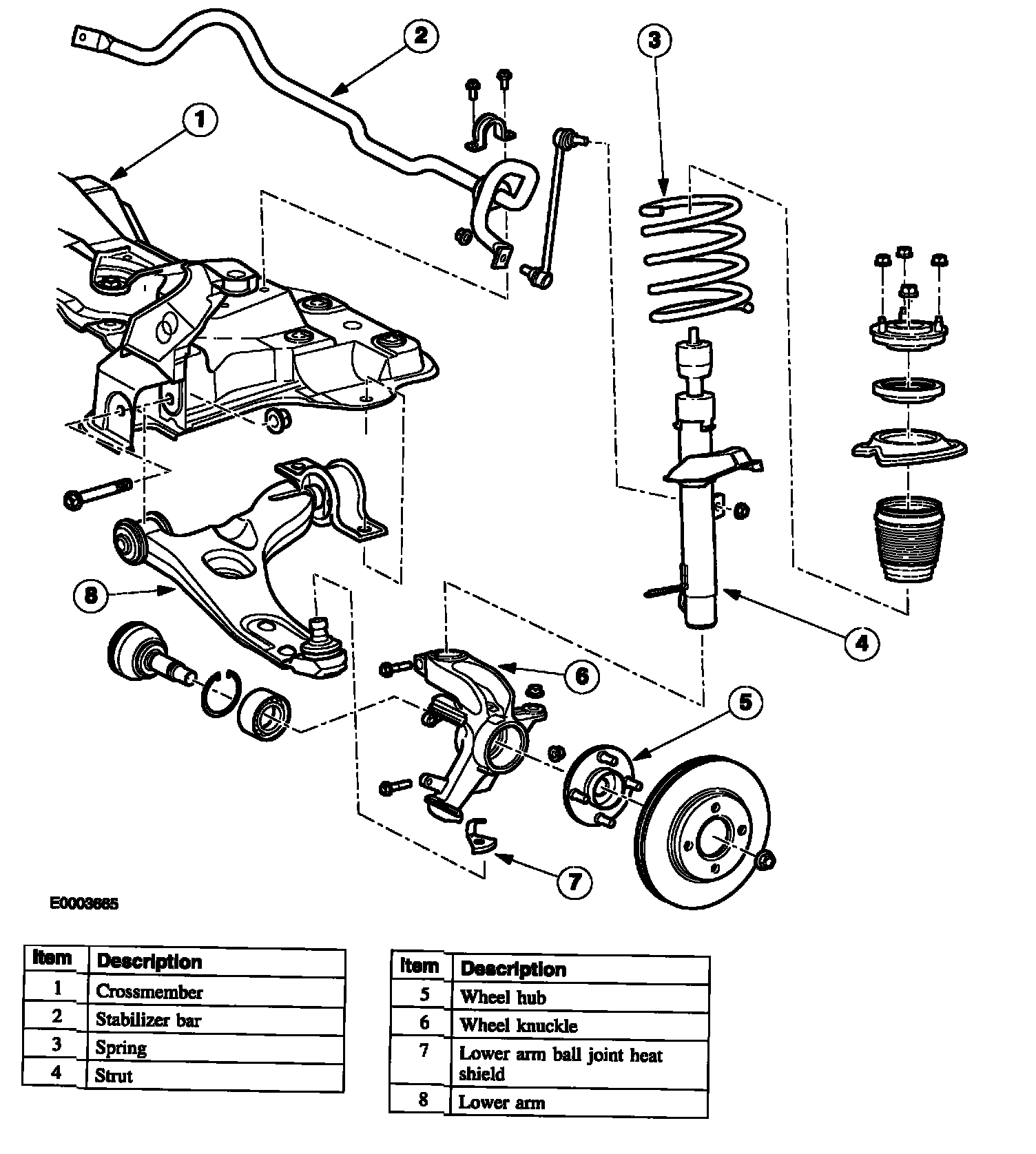
Home >> Ford >> 2003 >> Focus L4-2.3L VIN Z >> Repair and Diagnosis >> Diagrams >> Exploded Views >> Suspension >> Front

Front