lemon-mirror:
Home >> Ford >> 2003 >> Focus L4-2.3L VIN Z >> Repair and Diagnosis >> Diagrams >> Exploded Views >> Axle Shaft Assembly

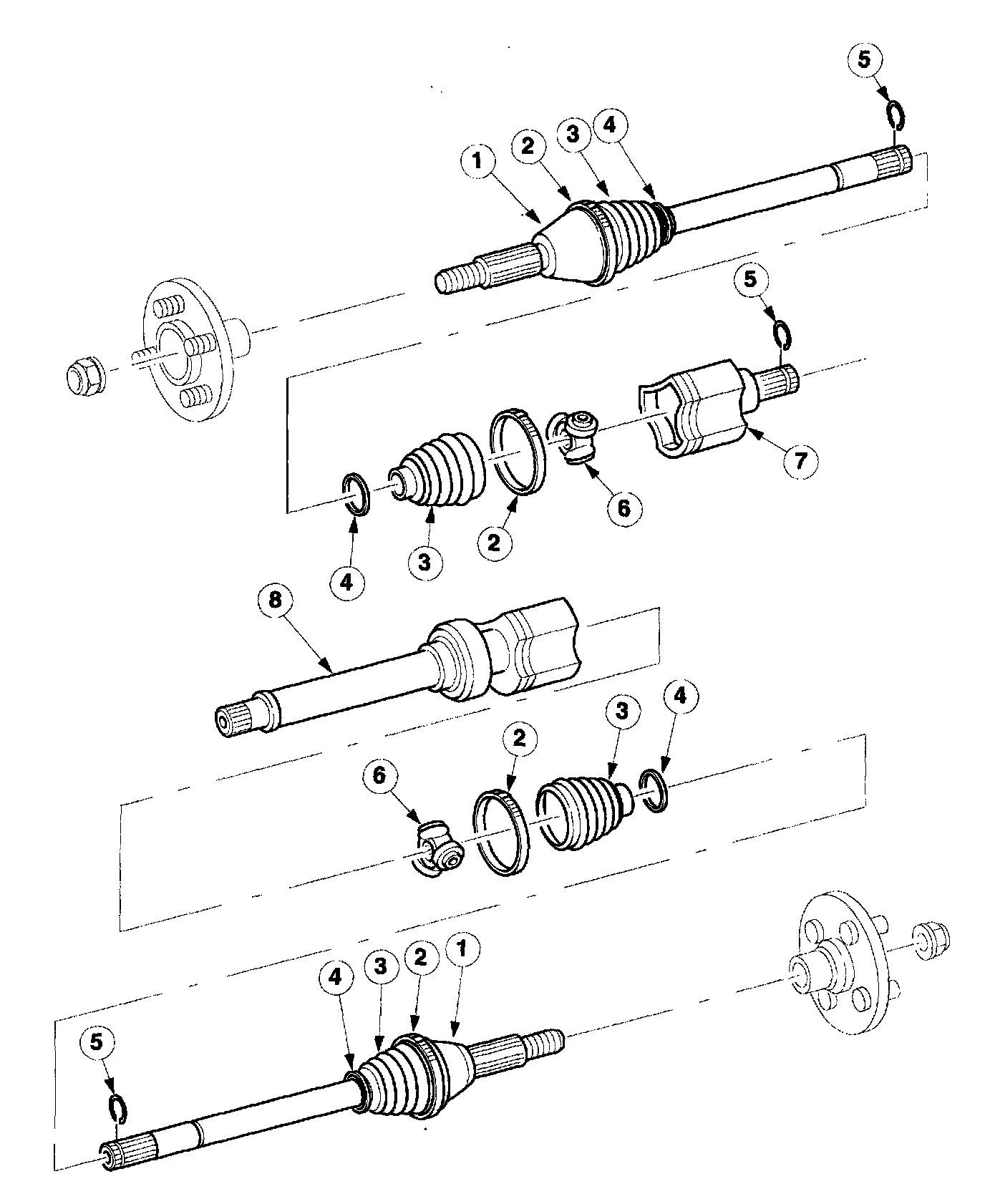
Axle Shaft Assembly

Exploded view of the front drive halfshaft

Part 1 Of 2:




Part 2 Of 2: