lemon-mirror:
Home >> Ford >> 2003 >> Focus L4-2.3L VIN Z >> Repair and Diagnosis >> Diagrams >> Exploded Views >> Automatic Transmission/Transaxle >> Case Assembly

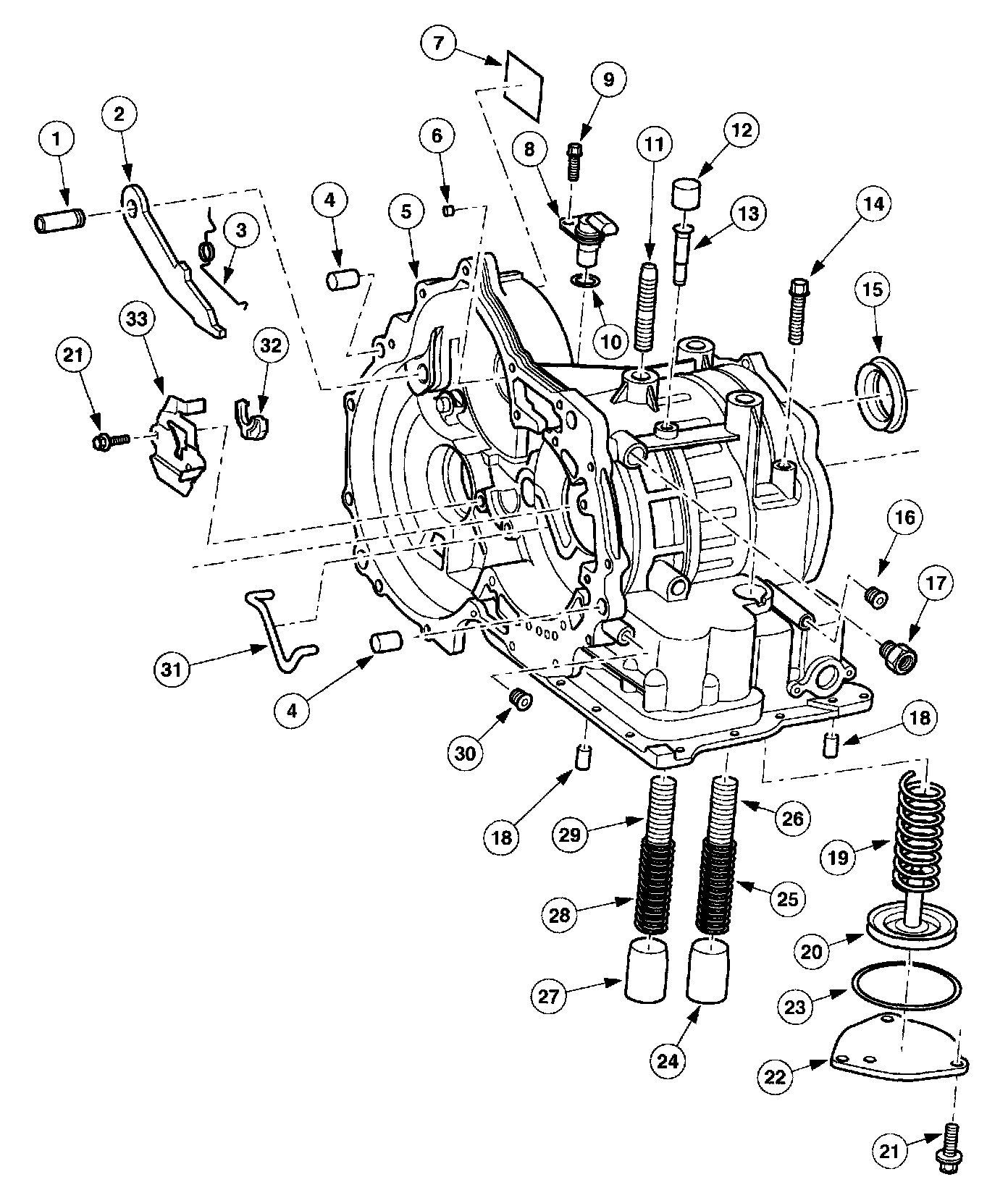
Case Assembly

Case Assembly

Part 1 Of 2:




Part 2 Of 2: