lemon-mirror:
Home >> Ford >> 2003 >> Explorer AWD V6-4.0L VIN E >> Repair and Diagnosis >> Powertrain Management >> Ignition System >> Spark Plug >> Service and Repair

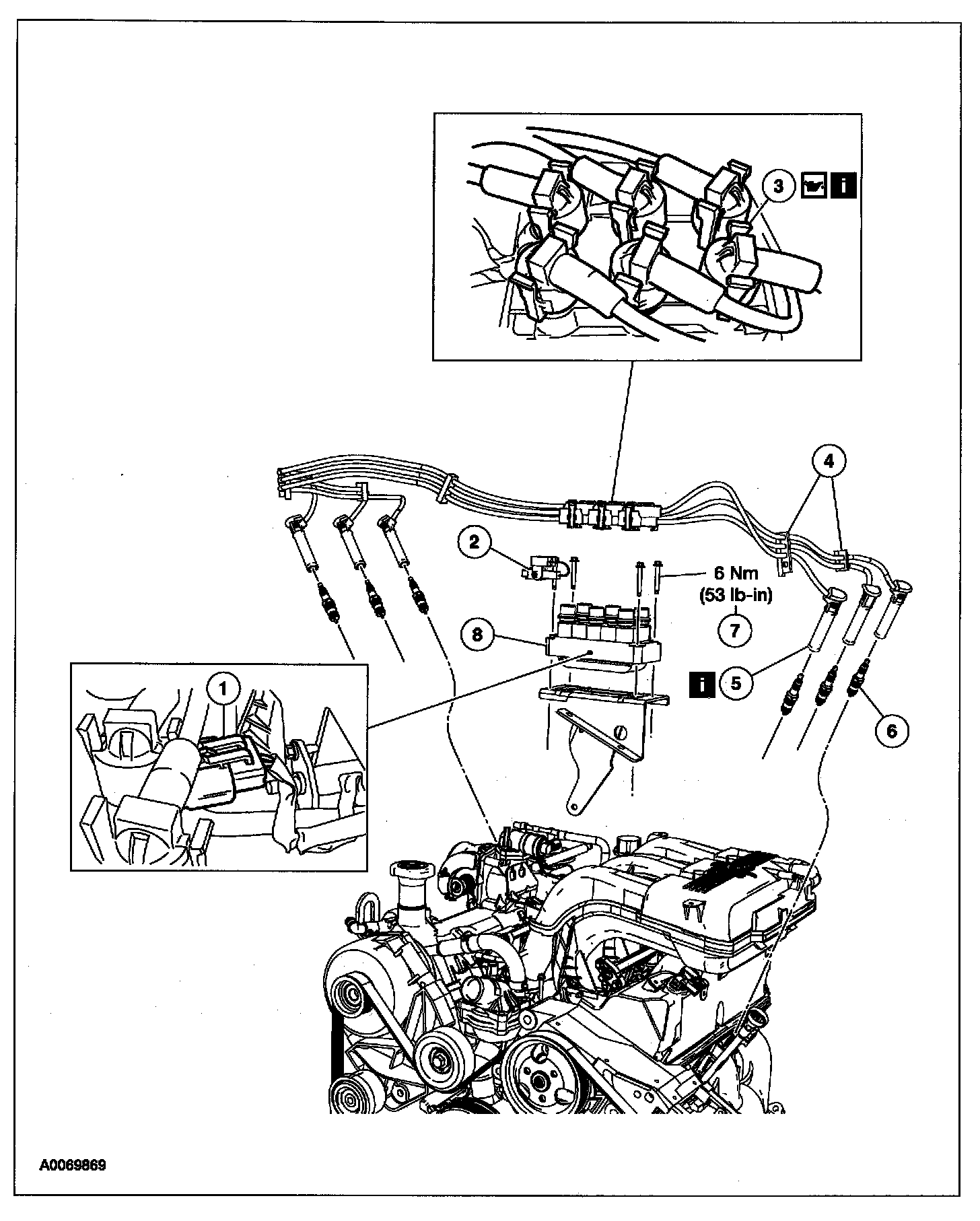
Spark Plug: Service and Repair

IGNITION COIL, SPARK PLUG WIRES AND SPARK PLUG


Remover, Spark Plug Wire:






SPECIAL TOOL(S)

REMOVAL
1. Disconnect the battery ground cable.







Part 1:






Part 2:






2. NOTE: Use compressed air to remove any foreign material in the spark plug well before removing the spark plug.

Remove the components in the order listed in the illustration and table. To remove individual components, only carry out the listed steps.

Item 3: Spark Plug Wire Removal Note

1. CAUTION: It is important to twist the spark plug wire boots while pulling upward to avoid possible damage to the spark plug wire.

NOTE: Spark plug wires must be connected to the correct ignition coil terminal. Mark spark plug wire locations before removing them.

Squeeze the locking tabs and twist while pulling upward to disconnect the six spark plug wires.

Item 5: Spark Plug Wire-to-Spark Plug Removal Note







1. CAUTION:
- Spark plug wires must be connected correctly. Mark the spark plug wires before removing them.
- It is important to twist the spark plug wire boots while pulling upward to avoid possible damage to the spark plug wire.


With a twisting motion, use the special tool to pull the spark plug wire from the spark plug.

INSTALLATION

1. CAUTION: Make sure the spark plug boots are positioned so the spark plug wires do not contact the exhaust manifold.

NOTE: Apply silicone dielectric compound to the inside of the spark plug wire coil boots and the spark plug.

To install, reverse the removal procedure.