lemon-mirror:
Home >> Ford >> 2003 >> Explorer 2WD V8-4.6L VIN W >> Repair and Diagnosis >> Specifications >> Mechanical Specifications >> Engine >> System Specifications >> Torque Specifications

Torque Specifications

Torque Specifications

Part 1 Of 4:




Part 2 Of 4:




Part 3 Of 4:




Part 4 Of 4:






LH:




RH:






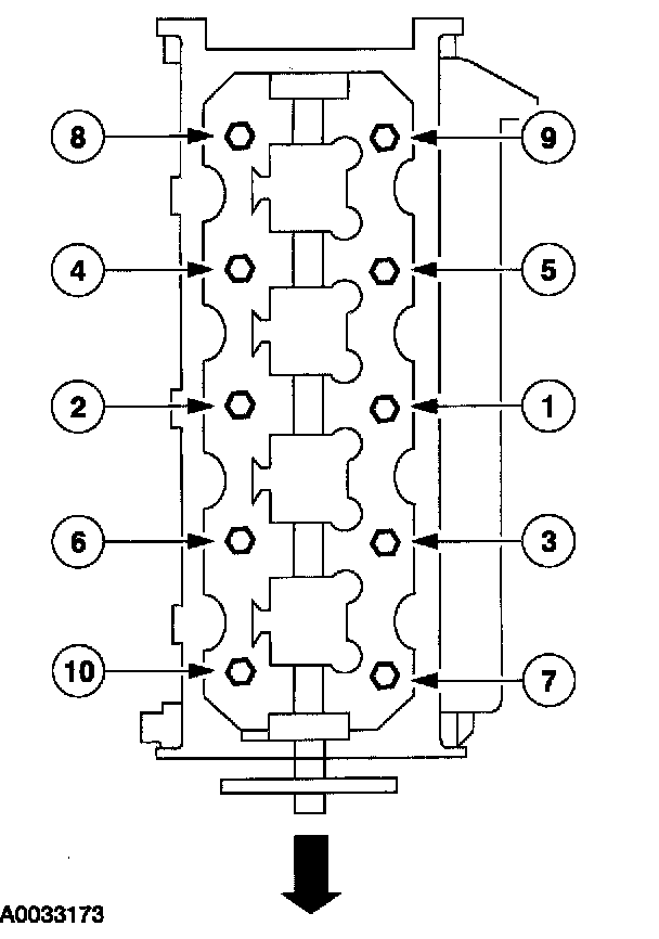
CAUTION: Cylinder head bolts must be discarded and new bolts installed. They are tighten-to-yield designed and cannot be reused.

Cylinder Head bolts
Stage 1 40 Nm (30 ft. lbs.)
Stage 2 additional 90 degrees
Stage 3 Back out all bolts one full turn (360 degrees)
Stage 4 40 Nm (30 ft. lbs.)
Stage 5 additional 90 degrees
Stage 6 additional 90 degrees





Intake Manifold

Crankshaft Pulley bolt and washer:
Stage 1 90 Nm (66 ft. lbs.)
Stage 2 Loosen the bolt one full turn
Stage 3 50 Nm (37 ft. lbs.)
Stage 4 additional 90 degrees without exceeding 200 Nm (148 ft. lbs.)





Flex Plate or Flywheel

LH:




RH:





Exhaust Manifold nuts

Water Pump bolts 25 Nm (18 ft. lbs.)





Main bearing caps and bolts:
Stage 1 10 Nm (89 inch lbs.)
Stage 2 25 Nm (18 ft. lbs.)
Stage 3 40 Nm (30 ft. lbs.)
Stage 4 90 degrees

Crankshaft Main Bearing Cap Side Bolts:
Stage 1 40 Nm (30 ft. lbs.)
Stage 2 90 degrees





Connecting Rod Cap Bolts:
Stage 1 25 Nm (18 ft. lbs.)
Stage 2 45 Nm (33 ft. lbs.)
Stage 3 additional 90 degrees





Camshaft Bearing Caps

Part 1 Of 2:




Part 2 Of 2:





Engine Front Cover Bolts 25 Nm (18 ft. lbs.)





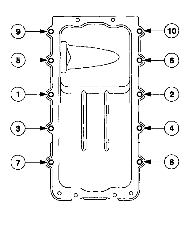
Oil Pan Bolts
Stage 1 20 Nm (15 ft. lbs.)
Stage 2 additional 60 degrees