lemon-mirror:
Home >> Ford >> 2003 >> Explorer 2WD V8-4.6L VIN W >> Repair and Diagnosis >> Powertrain Management >> Computers and Control Systems >> Relays and Modules - Computers and Control Systems >> Engine Control Module >> Service and Repair

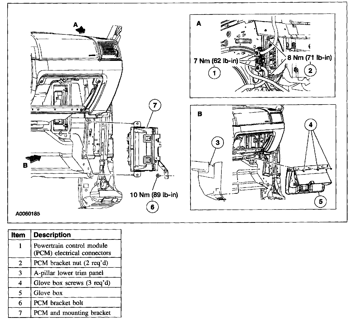
Engine Control Module: Service and Repair

POWERTRAIN CONTROL MODULE (PCM)

REMOVAL

1. NOTE: Refer to Computers and Control Systems for correct worldwide diagnostic system (WDS) hook-up procedure.

Connect the diagnostic tool to the vehicle. Allow the diagnostic tool to identify the vehicle and obtain configuration data.
- All programmable module information will automatically be retrieved by the WDS.

2. Disconnect the battery ground cable.







3. Remove the components in the order indicated in the illustration and table.

INSTALLATION
1. To install, reverse the removal procedure.