lemon-mirror:
Home >> Ford >> 2003 >> Excursion 2WD V8-6.0L DSL Turbo >> Repair and Diagnosis >> Diagrams >> Exploded Views >> Suspension >> Front

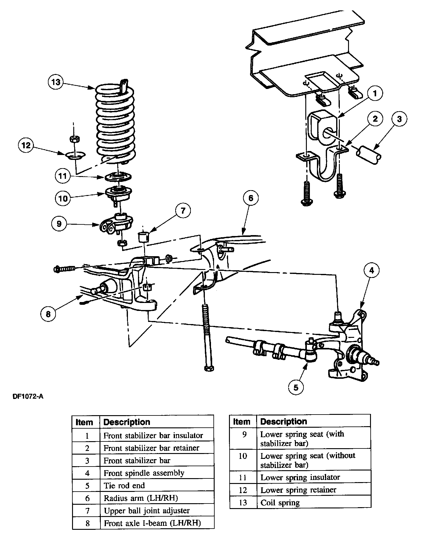
Front

Part 1 Of 4:




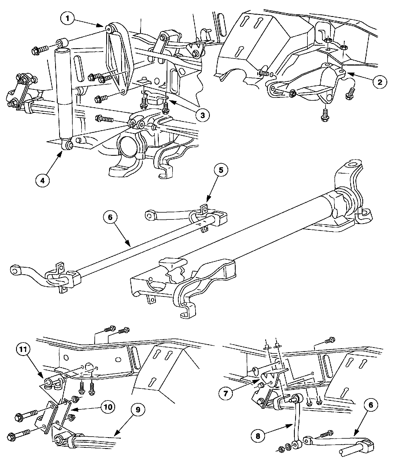
Part 2 Of 4:




Part 3 Of 4:




Part 4 Of 4:





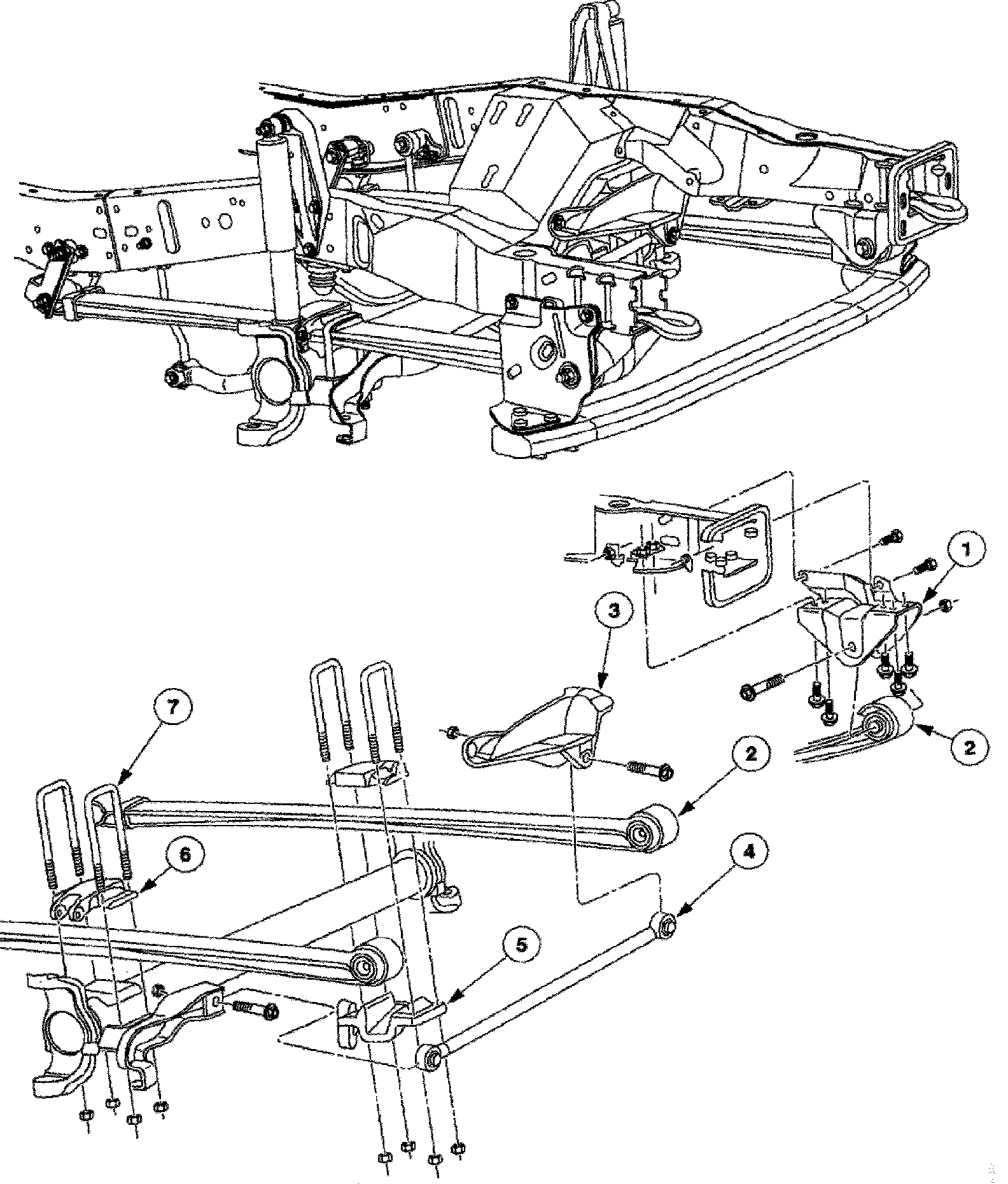
Front Suspension Components-F-250, F-350

Part 1 Of 2:




Part 2 Of 2:





Front Suspension Components-F-450, F-550