lemon-mirror:
Home >> Ford >> 2002 >> Windstar V6-3.8L VIN 4 >> Repair and Diagnosis >> Diagrams >> Exploded Views >> Engine >> Lower End

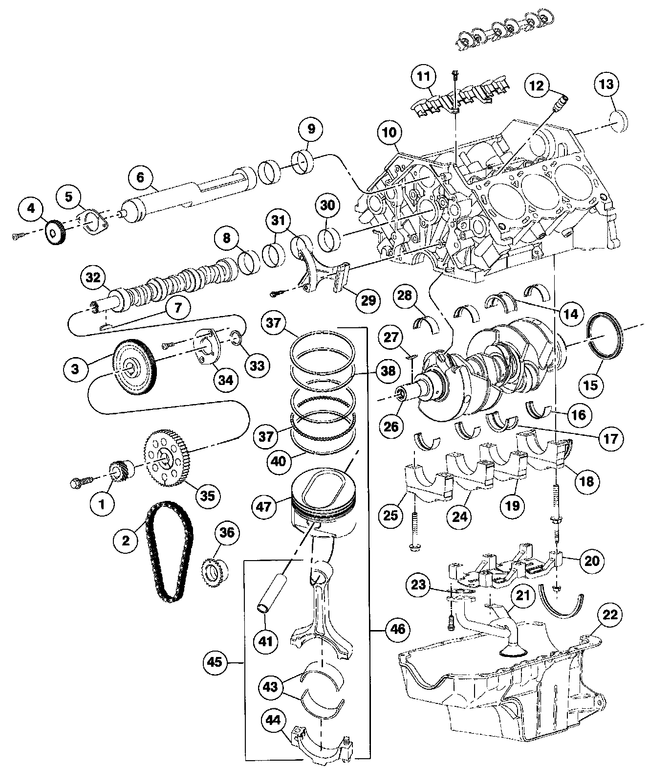
Lower End

Engine-Lower Components





Part 1 of 2





Part 2 of 2