lemon-mirror:
Home >> Ford >> 2002 >> Taurus V6-3.0L VIN U >> Repair and Diagnosis >> Diagrams >> Exploded Views >> Automatic Transmission/Transaxle >> AX4S

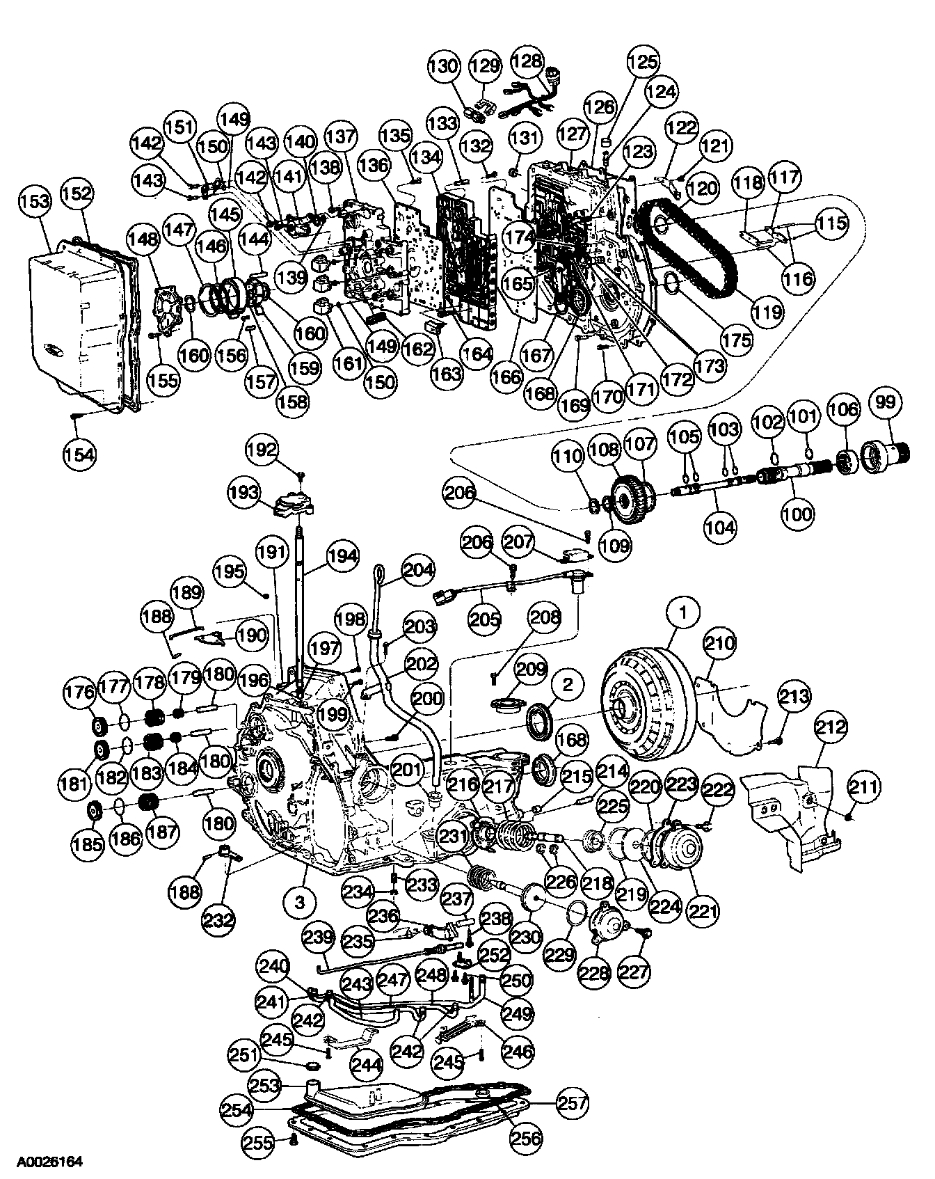
AX4S

Disassembled Views













Step 1 - 52





Step 53 - 106





Step 107 - 158





Step 159 - 214





Step 215 - E