lemon-mirror:
Home >> Ford >> 2002 >> Ranger 2WD L4-2.3L VIN D >> Repair and Diagnosis >> Diagrams >> Exploded Views >> Disc Brake System

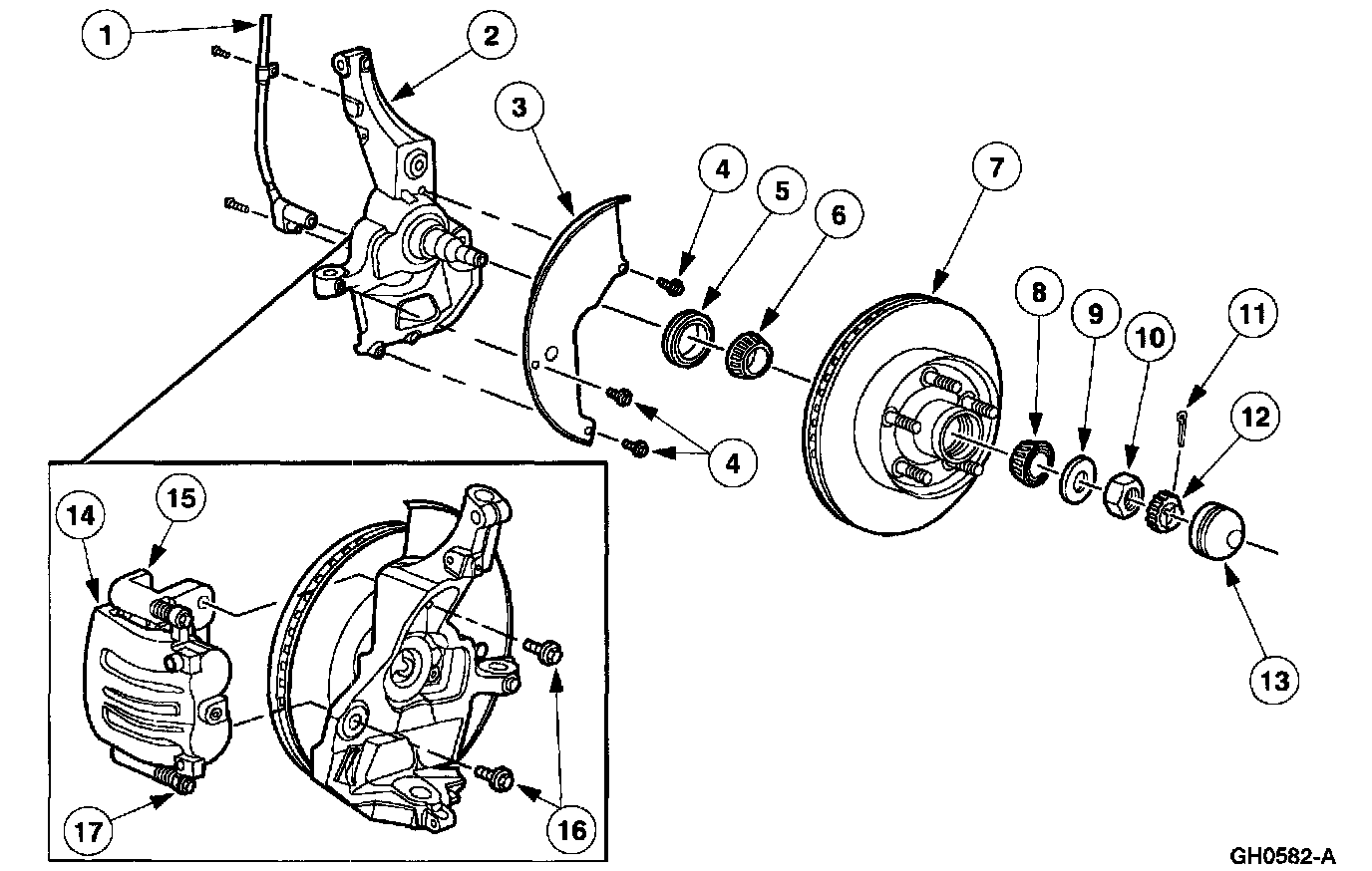
Disc Brake System

Front Disc Brake Components





Part 1 of 2





Part 2 of 2