lemon-mirror:
Home >> Ford >> 2002 >> F 150 2WD Pickup V8-4.6L >> Repair and Diagnosis >> Diagrams >> Exploded Views >> Steering Column

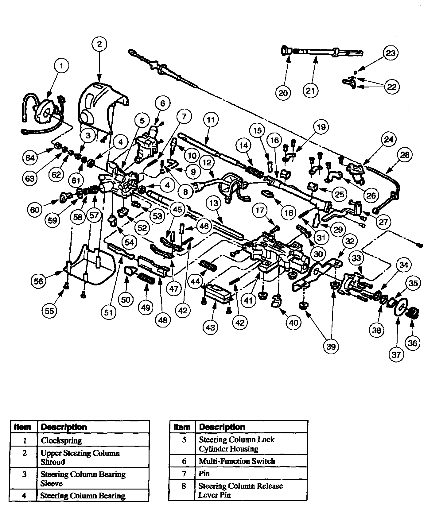
Steering Column

Steering Column





Part 1 of 5





Part 2 of 5





Part 3 of 5





Part 4 of 5





Part 5 of 5