lemon-mirror:
Home >> Ford >> 2002 >> Explorer 2WD V8-4.6L VIN W >> Repair and Diagnosis >> Diagrams >> Exploded Views >> Differential Assembly

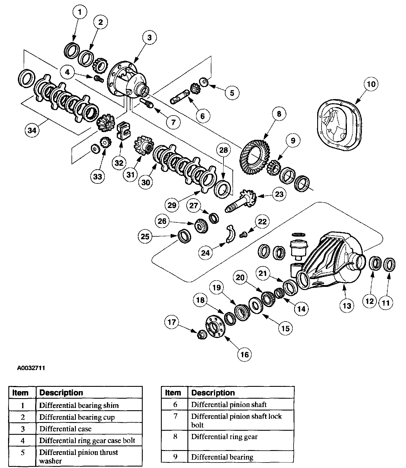
Differential Assembly

Rear Drive Axle and Differential





Part 1 of 2





Part 2 of 2