lemon-mirror:
Home >> Ford >> 2001 >> Taurus V6-3.0L VIN U >> Repair and Diagnosis >> Diagrams >> Exploded Views >> Automatic Transmission/Transaxle >> AX4S

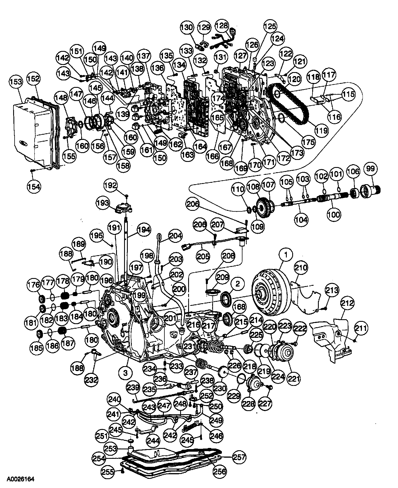
AX4S

Disassembled Views





Part 1 of 7





Part 2 of 7





Part 3 of 7





Part 4 of 7





Part 5 of 7





Part 6 off 7





Part 7 of 7