lemon-mirror:
Home >> Ford >> 2001 >> Ranger 2WD L4-2.3L VIN D >> Repair and Diagnosis >> Diagrams >> Exploded Views >> Disc Brake System

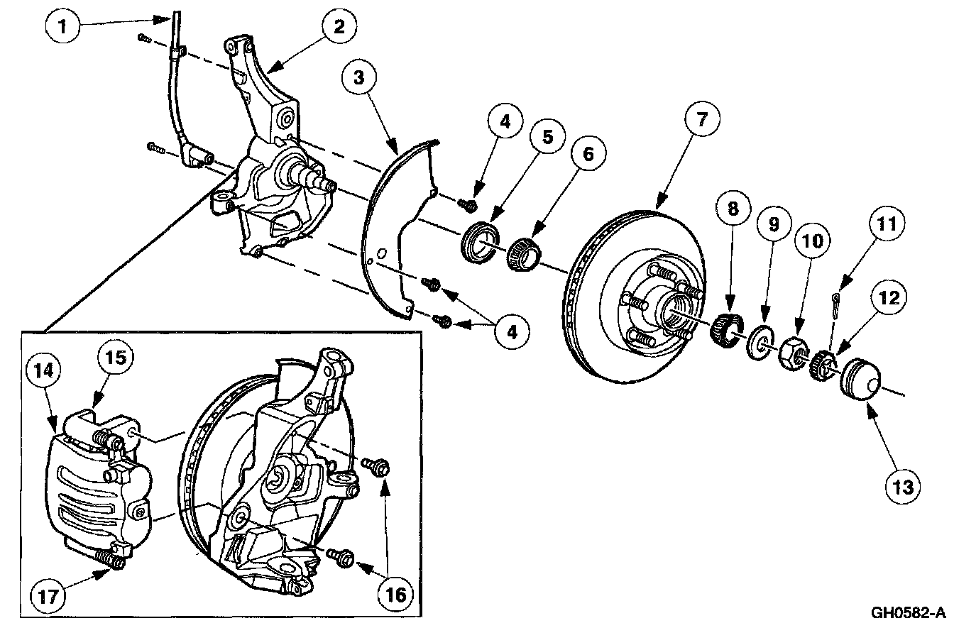
Disc Brake System

Front Disc Brake





Part 1 of 5





Part 2 of 5





Part 3 of 5





Part 4 of 5





Part 5 of 5