lemon-mirror:
Home >> Ford >> 2001 >> Mustang V6-3.8L VIN 4 >> Repair and Diagnosis >> Diagrams >> Exploded Views >> Steering Column

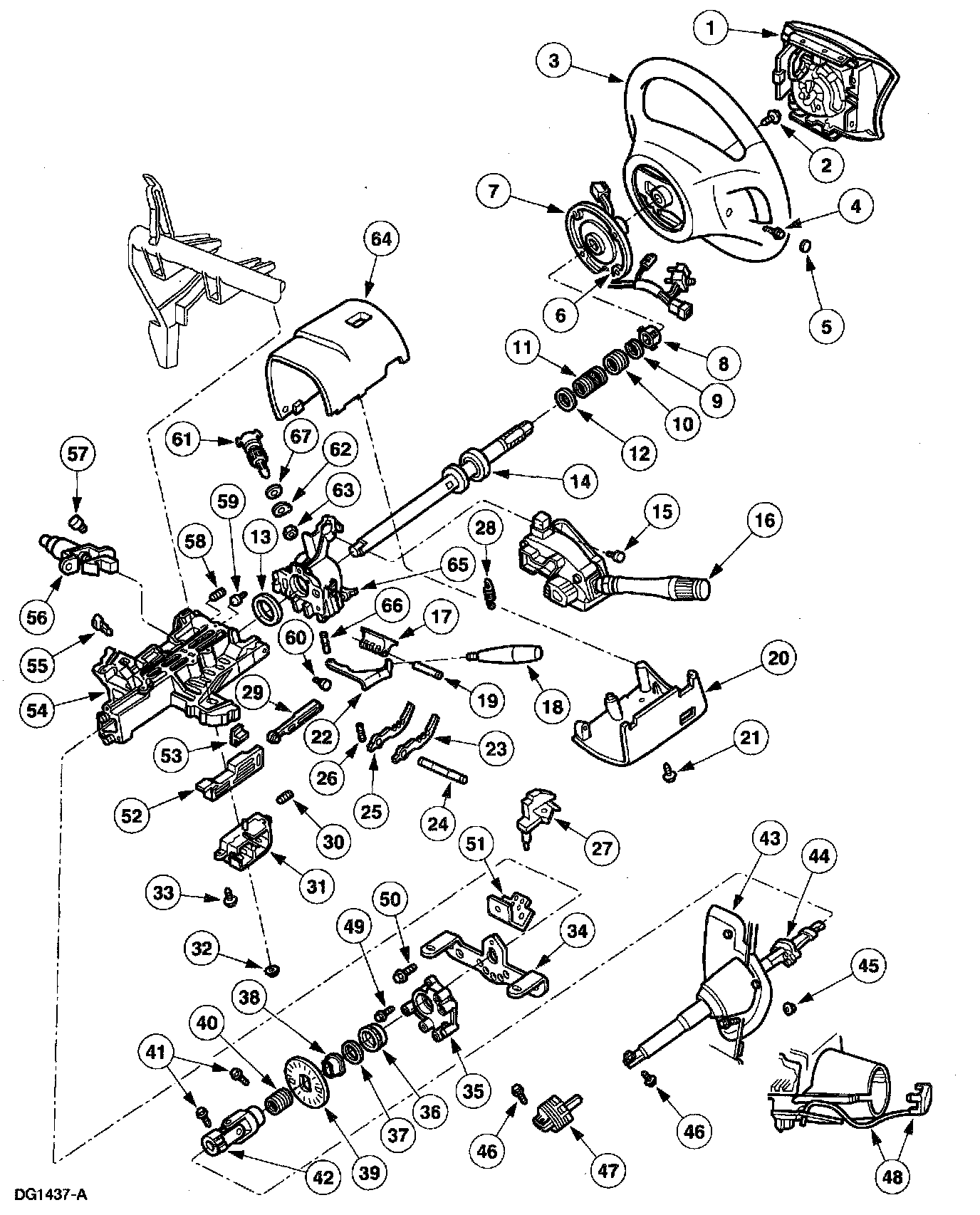
Steering Column

Steering Column





Part 1 of 2





Part 2 of 2