lemon-mirror:
Home >> Ford >> 2001 >> Excursion 2WD V10-6.8L VIN S >> Repair and Diagnosis >> Diagrams >> Exploded Views >> Exhaust System >> Muffler

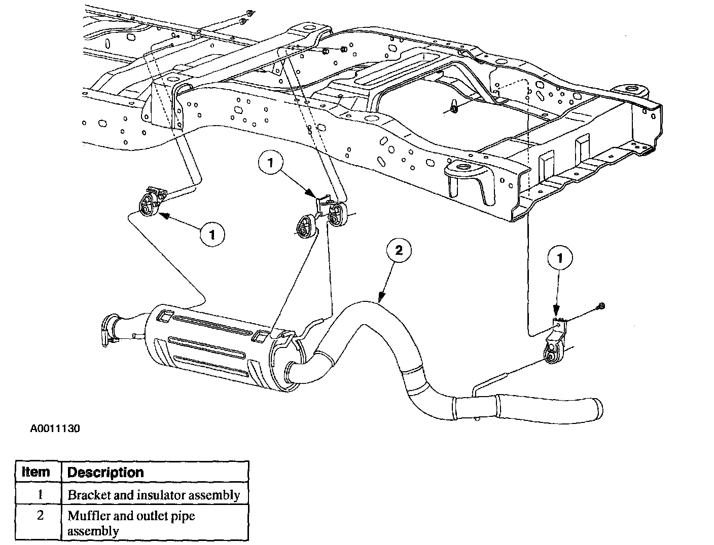
Muffler

Muffler - Excursion, 6.8L Engine: