lemon-mirror:
Home >> Ford >> 2001 >> Excursion 2WD V10-6.8L VIN S >> Repair and Diagnosis >> Diagrams >> Exploded Views >> Automatic Transmission/Transaxle

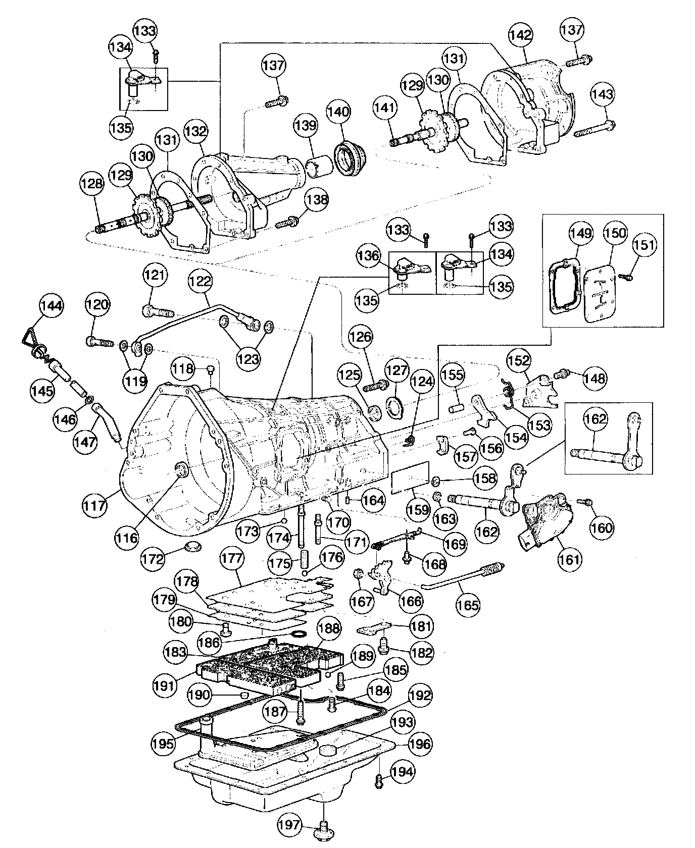
Automatic Transmission/Transaxle

Transmission Disassembled Views





Part 1 of 8





Part 2 of 8





Part 3 of 8





Part 4 of 8





Part 5 of 8





Part 6 of 8





Part 7 of 8





Part 8 of 8