lemon-mirror:
Home >> Ford >> 2000 >> Windstar V6-3.8L VIN 4 >> Repair and Diagnosis >> Diagrams >> Exploded Views >> Steering Column

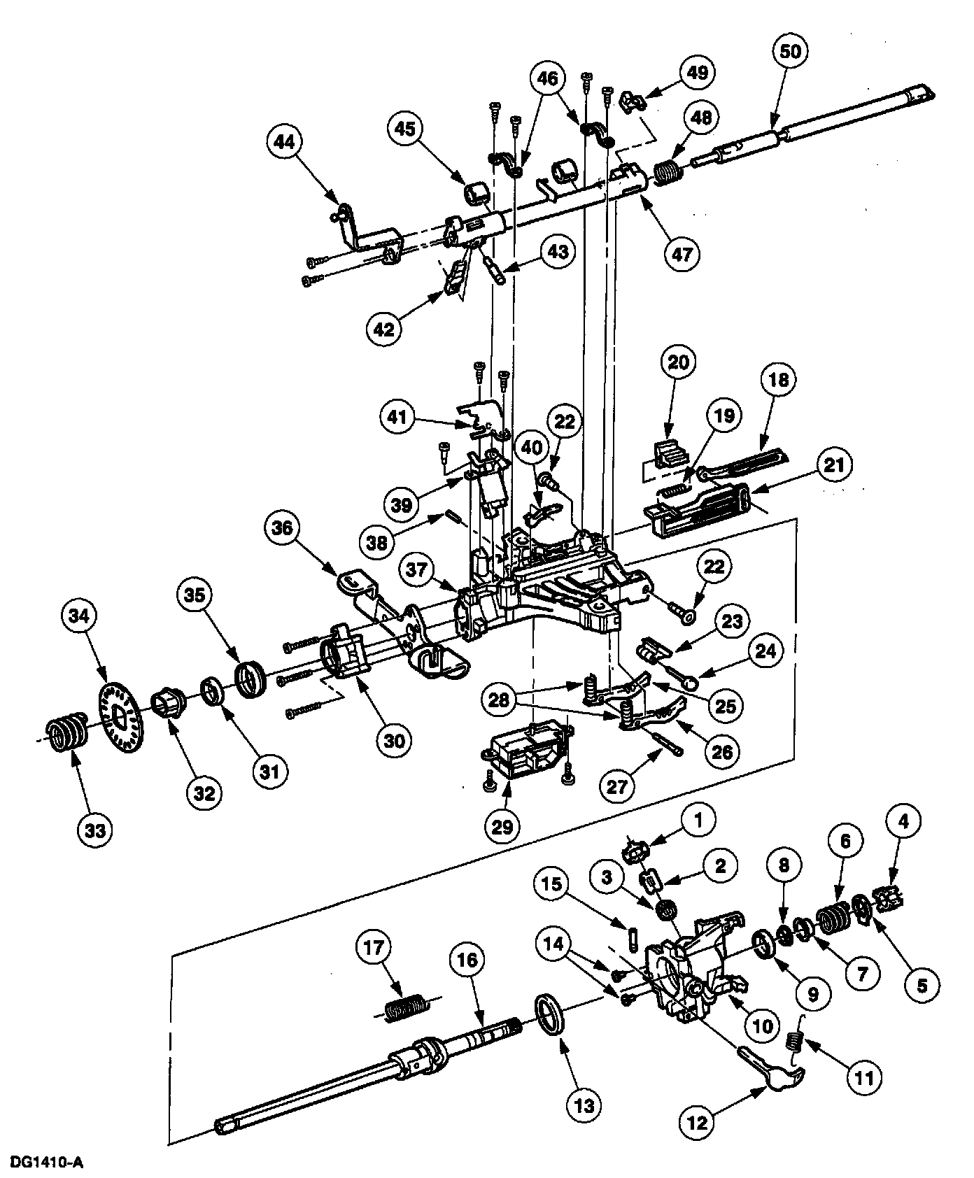
Steering Column

1 Of 2:




2 Of 2:





Steering Column