lemon-mirror:
Home >> Ford >> 2000 >> Taurus V6-3.0L VIN U >> Repair and Diagnosis >> Diagrams >> Exploded Views >> Brake Caliper

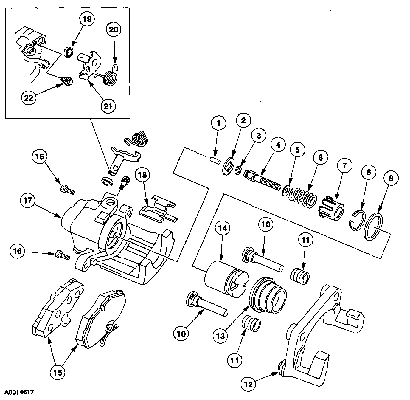
Brake Caliper

1 Of 2:




2 Of 2:





Rear Disc Brake Caliper - Disassembled View