lemon-mirror:
Home >> Ford >> 2000 >> Taurus V6-3.0L VIN U >> Repair and Diagnosis >> Diagrams >> Exploded Views >> Automatic Transmission/Transaxle >> AX4S

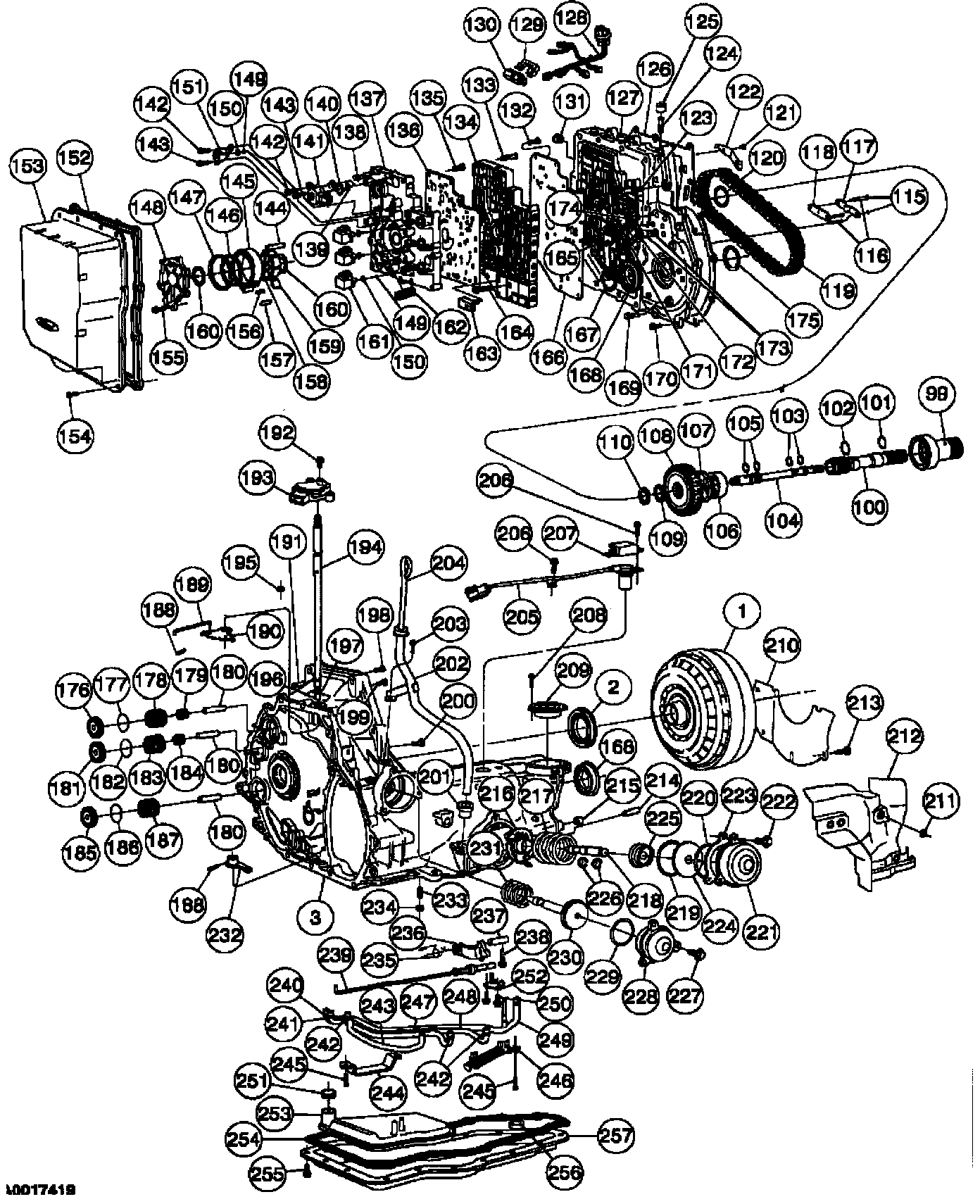
AX4S





1 of 7





2 of 7





3 of 7





4 of 7





5 of 7





6 of 7





7 of 7