lemon-mirror:
Home >> Ford >> 1999 >> Taurus V6-3.0L VIN U >> Repair and Diagnosis >> Diagrams >> Exploded Views >> Steering Column >> With Column Shift

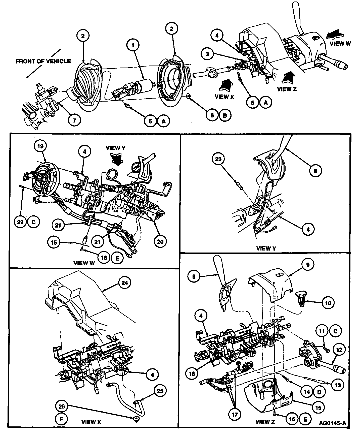
With Column Shift

Part 1 Of 2:



Part 2 Of 2: