lemon-mirror:
Home >> Ford >> 1997 >> Taurus V6-3.0L VIN U >> Repair and Diagnosis >> Body and Frame >> Locks >> Keyless Entry >> Keyless Entry Module >> Service and Repair >> Removal

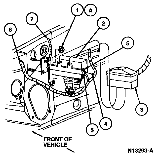
Removal










1. Disconnect wiring harness connector from anti-theft system control and bracket assembly.

2. Remove two retaining nuts from anti-theft system control and bracket assembly and remove anti-theft system control and bracket assembly from instrument panel.

3. Release each individual locking tab from module and simultaneously back oft bracket 6.35 mm (1/4 inch).

4. Remove module from bracket when tabs are released.