lemon-mirror:
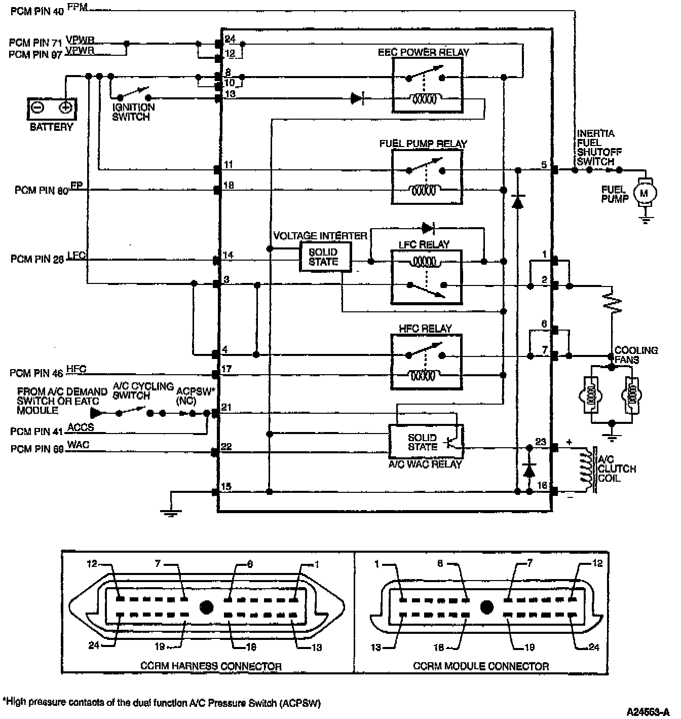
Home >> Ford >> 1996 >> Taurus V6-182 3.0L >> Repair and Diagnosis >> Powertrain Management >> Computers and Control Systems >> Testing and Inspection >> Pinpoint Tests >> X - Constant Control Relay Module (CCRM) >> Test Schematic

Test Schematic

Taurus/Sable: