lemon-mirror:
Home >> Ford >> 1996 >> Taurus V6-182 3.0L >> Repair and Diagnosis >> Diagrams >> Connector Views >> Fuse Block

Fuse Block

Instrument Panel Fuse Panel (C225):




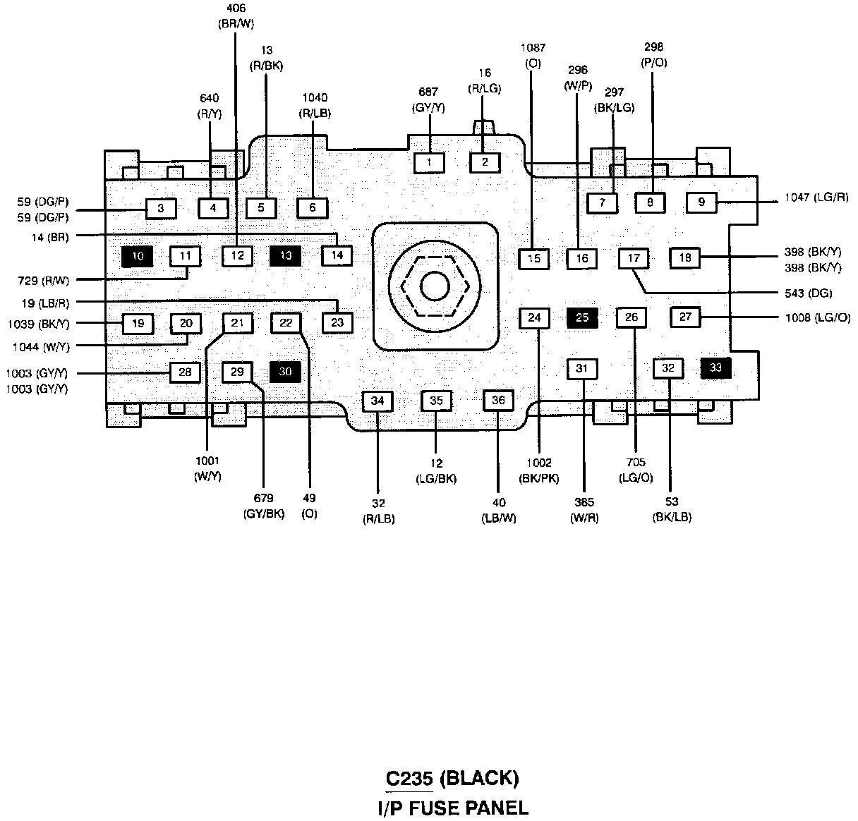
Instrument Panel Fuse Panel (Part 1 Of 2) (C235):




Instrument Panel Fuse Panel (Part 2 Of 2):




Instrument Panel Fuse Panel (Part 1 Of 2) (C247):




Instrument Panel Fuse Panel (Part 2 Of 2):