lemon-mirror:
Home >> Ford >> 1995 >> Windstar V6-232 3.8L >> Repair and Diagnosis >> Diagrams >> Exploded Views >> Wheel Speed Sensor >> Rear Disc

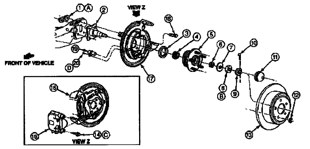
Rear Disc